EasyManua.ls Logo

dirna Bergstrom Slim - Electrical Layout and Diagrams; Vehicle Electrical Layout

dirna Bergstrom Slim
Print Icon
To Next Page IconTo Next Page
To Next Page IconTo Next Page
To Previous Page IconTo Previous Page
To Previous Page IconTo Previous Page
Loading...
25
SLIM
EN
®
Gr
R-B
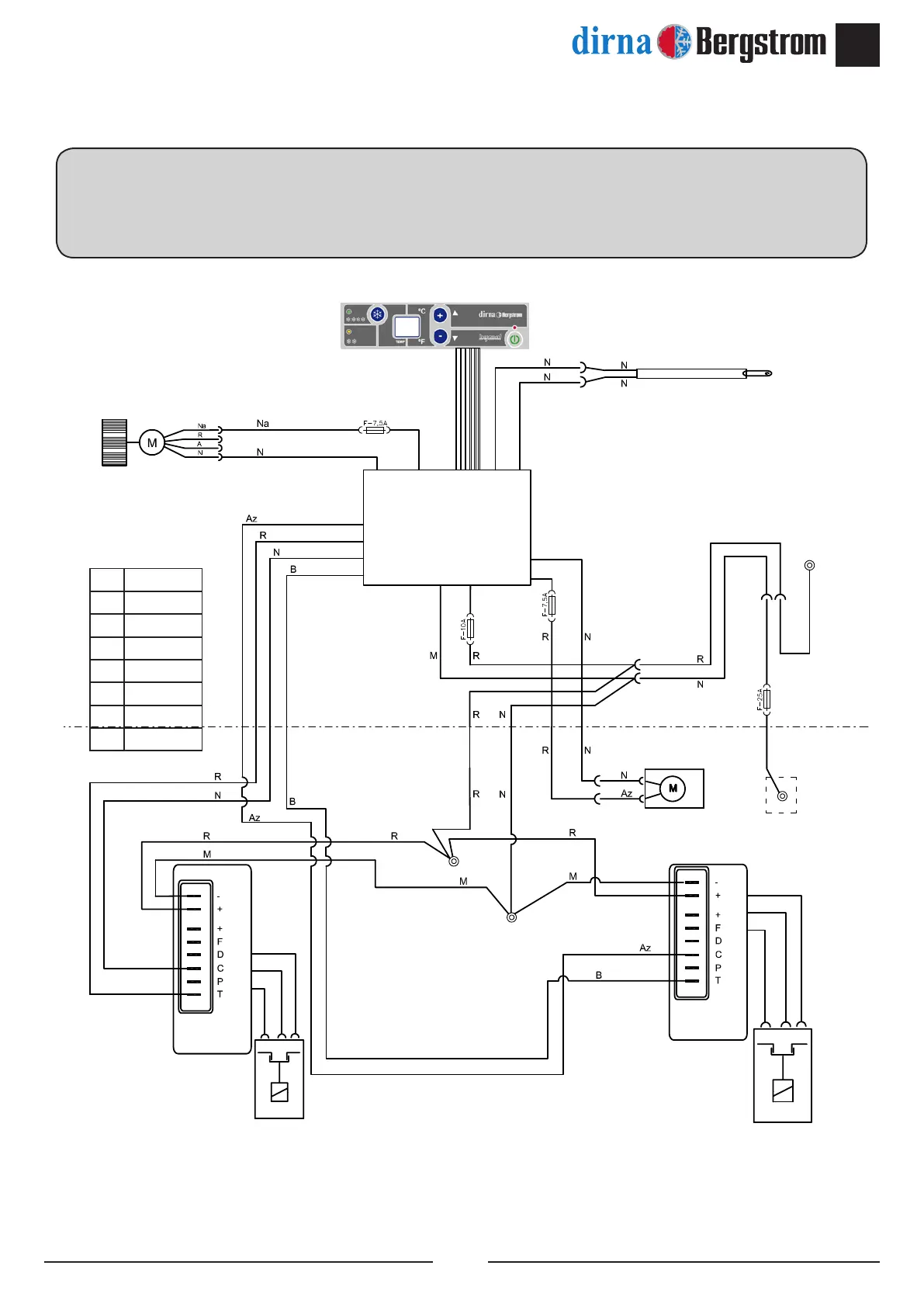
VEHICLES WITHOUT ORIGINAL POWER SUPPLY CABLING - Electrical layout
IMPORTANT WARNING!
Take care not to invert polarities when connecting the unit. If this happens, the plate does not come on
and the unit does not work.
Az Blue
N Black
R Red
V Green
B White
A Yellow
Na Orange
M Brown
Return
air sensor
Electronic
module
Centrifugal
blower
Condenser
fan
Taking
positive
front
Center of mass
Compressor
electronic
module
Compressor
electronic
module
1 Compressor
2 Compressor
2,9 Amp.
PWM.
NTC 15KΩ a 25º
Comsuption 30 mAmp.
2,6 Amp.

Related product manuals