EasyManua.ls Logo

Dirna ecodirna SUN ELECTRONIC - Wiring Diagram

Dirna ecodirna SUN ELECTRONIC
Print Icon
To Next Page IconTo Next Page
To Next Page IconTo Next Page
To Previous Page IconTo Previous Page
To Previous Page IconTo Previous Page
Loading...
EN
20
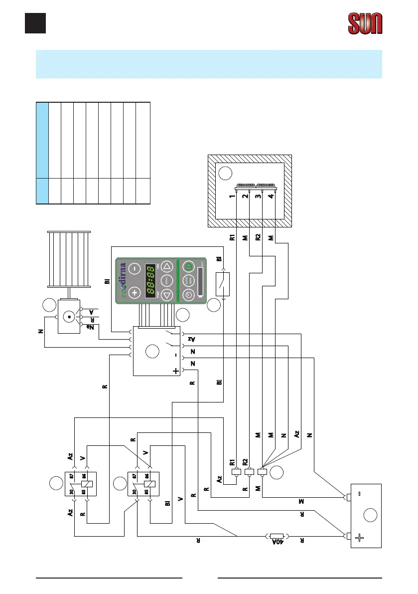
Wiring diagram
A
R
Na
Az Az
R V
R
V
Bl
V
R
R
Az
R
M M
M
N
Az
N
R1
R2
R1
M
R2
M
Bl
Bl
R
N
N
Az
R
RR
R
M
N
Bl
85
86
30 87
85
86
30 87
*
1
2
3
4
+
-
40A
+
-
1
2
3
4
5
6
7
8
2
Description
1 Battery
2 Relays
3 Electronic control
4 Collector belt
5 Motor
6
Connection terminals
7 Thermal fuse
8 Resistance