EasyManua.ls Logo

Dirna ecodirna SUN ELECTRONIC - Schaltplan

Dirna ecodirna SUN ELECTRONIC
Print Icon
To Next Page IconTo Next Page
To Next Page IconTo Next Page
To Previous Page IconTo Previous Page
To Previous Page IconTo Previous Page
Loading...
GE
40
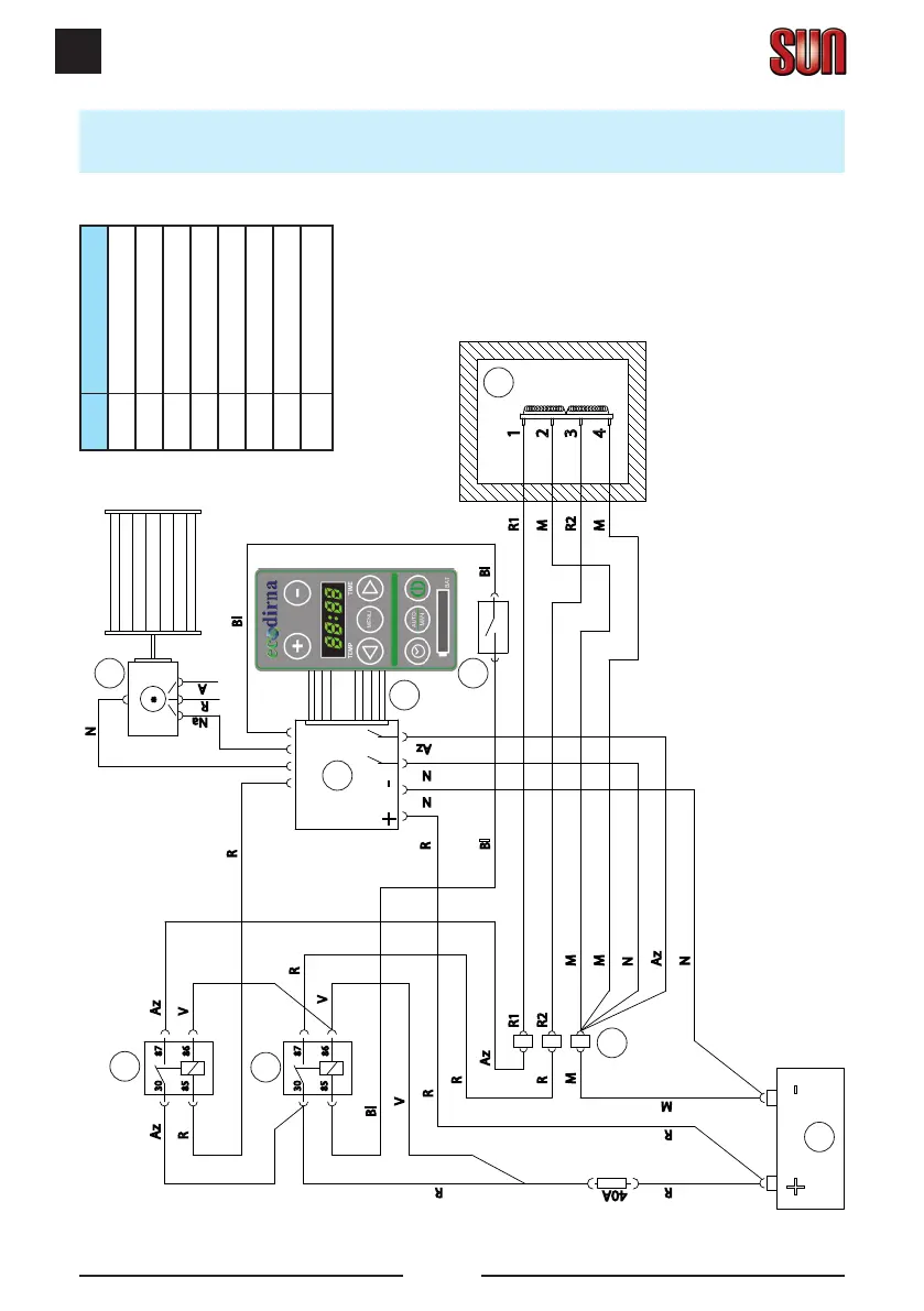
Schaltplan
A
R
Na
Az Az
R V
R
V
Bl
V
R
R
Az
R
M M
M
N
Az
N
R1
R2
R1
M
R2
M
Bl
Bl
R
N
N
Az
R
RR
R
M
N
Bl
85
86
30 87
85
86
30 87
*
1
2
3
4
+
-
40A
+
-
1
2
3
4
5
6
7
8
2
Beschreibung
1 Batterie
2 Relais
3 Elektronisch
4 Band
5 Motor
6 Anschlussklemmen
7 Thermosicherung
8 Widerstand