EasyManua.ls Logo

Dirna Mini cool compact - Esquema Eléctrico

Dirna Mini cool compact
Print Icon
To Next Page IconTo Next Page
To Next Page IconTo Next Page
To Previous Page IconTo Previous Page
To Previous Page IconTo Previous Page
Loading...
15
+
-
MAX. MIN.
MID CON
Az
Az
Az
Az
R
R
R
Az
R
N
R
R
R
V
M
M
M
M
M
M
N
N
N
N
N
N
R
Az
Az
R
R
R
R
B
B
M
N
N
N
N
N
N
R
A
Na
N
-
-
+
+
+
+
F
F
C
C
D
D
P
P
T
T
+
-
ºC
TEMP
ON/OFF
1
2
Mini
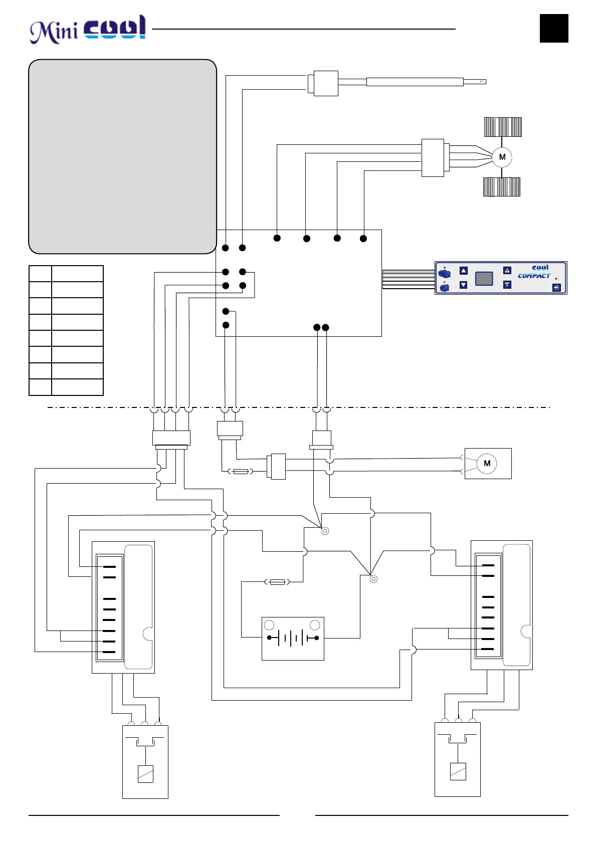
Esquema eléctrico
Soplador
Control electrónico
Control electrónico
Compresor
Compresor
Batería
Fusible
de 25 A.
Electro
Cinta
Electro
¡AVISO IMPORTANTE!
Precaución de no invertir las po-
laridades al conectar el equipo a la
batería. Si esto sucediera, el control
electrónico emitirá unos pitidos dis-
continuos. No debe tocarse ningu-
na tecla ni del panel ni del mando
del equipo porque se pueden pro-
ducir daños irreparables. A la señal
de estos pitidos discontinuos, desco-
nectar el equipo de la batería y veri-
car la polaridad de la conexión.
Sonda de temperatura
Fusible
de 5 A.
dirna, s.a.
ES
Az Azul
N Negro
R Rojo
V Verde
B Blanco
A Amarillo
Na Naranja
M Marrón

Other manuals for Dirna Mini cool compact

Related product manuals