EasyManua.ls Logo

Dirna Mini cool compact - Page 43

Dirna Mini cool compact
Print Icon
To Next Page IconTo Next Page
To Next Page IconTo Next Page
To Previous Page IconTo Previous Page
To Previous Page IconTo Previous Page
Loading...
43
+
-
MAX. MIN.
MID CON
Az
Az
Az
Az
R
R
R
Az
R
N
R
R
R
V
M
M
M
M
M
M
N
N
N
N
N
N
R
Az
Az
R
R
R
R
B
B
M
N
N
N
N
N
N
R
A
Na
N
-
-
+
+
+
+
F
F
C
C
D
D
P
P
T
T
+
-
ºC
TEMP
ON/OFF
1
2
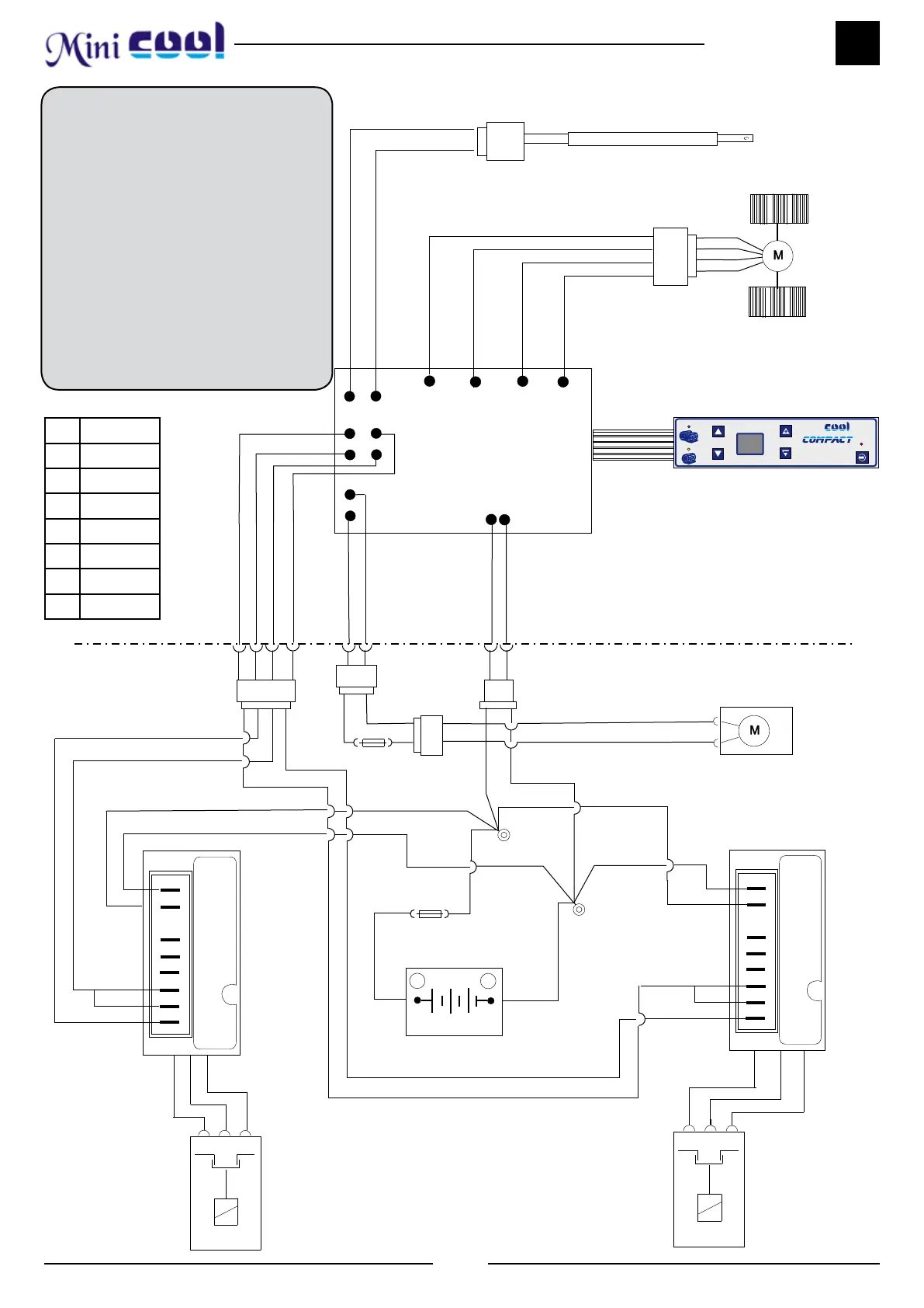
Mini
Câblage electrique
Soufante
Commande électronique
Commande
électronique
compresseur
Compresseur
Compresseur
25 A. Fusible
Electroventilateur
Cinta
Electroventilateur
AVERTISSEMENT IMPORTANT!
Faire attention de ne pas invertir les
polarités lors de la connexion de
l’équipement à la batterie. Si cela se
produit, le contrôle électronique émettra
des sons discontinus. Ne toucher
aucun bouton, ni du panneau, ni de
la commande de l’équipement car des
dommages irréparables pourraient alors
se produire. Si ces sons discontinus
se mettent en marche, déconnecter
l’équipement de la batterie et vérier la
polarité de la connexion.
Sonde de température
Fusible
5 A.
dirna, s.a.
FR
Az Bleu
N Noir
R Rouge
V Vert
B Blanc
A Jaune
Na Orange
M Marron

Other manuals for Dirna Mini cool compact

Related product manuals