EasyManua.ls Logo

Dirna Mini cool compact - Page 57

Dirna Mini cool compact
Print Icon
To Next Page IconTo Next Page
To Next Page IconTo Next Page
To Previous Page IconTo Previous Page
To Previous Page IconTo Previous Page
Loading...
57
+
-
MAX. MIN.
MID CON
Az
Az
Az
Az
R
R
R
Az
R
N
R
R
R
V
M
M
M
M
M
M
N
N
N
N
N
N
R
Az
Az
R
R
R
R
B
B
M
N
N
N
N
N
N
R
A
Na
N
-
-
+
+
+
+
F
F
C
C
D
D
P
P
T
T
+
-
ºC
TEMP
ON/OFF
1
2
Mini
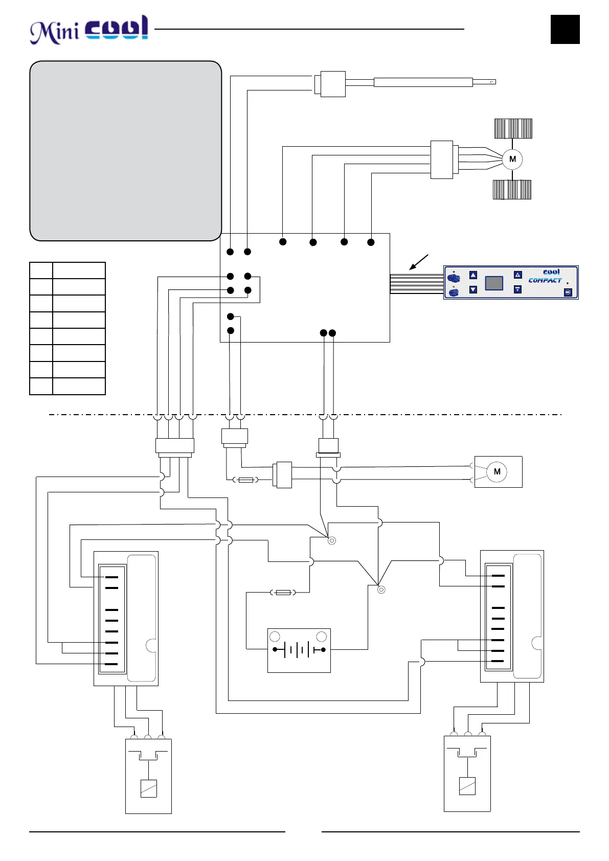
ElektrischeVerkabelung
Gebläse
Elektroniksteuerung
Kompressor
electronisches
modul
Kompressor
Kompressor
Sicherung
25 A.
Gebläse
Verkabelungsband
Gebläse
Temperaturfühler
WICHTIGER WARNHINWEIS!
Falls die Polarität versehentlich um-
gekehrt wird, gibt die Elektroniks-
teuerung unterbrochene Töne ab.
In diesem Fall keine Tasten des Be-
dienfeldes oder der Fernbedienung
berühren, da dauerhafte Schäden an
der Elektronik der Einheit entstehen
würden. Lesen Sie vor dem Eins-
chalten der Einheit den Benutzerlei-
tfaden durch.
Sicherung
5 A.
Batterie
dirna, s.a.
GE
Az Blau
N Chwarz
R Rot
V Grün
B Weiss
A Gelb
Na Oranbe
M Braun

Other manuals for Dirna Mini cool compact

Related product manuals