EasyManua.ls Logo

dk DK-1100A - 2.3 Dimensional Drawing of Print Head; Print Head Dimensions

dk DK-1100A
27 pages
Print Icon
To Next Page IconTo Next Page
To Next Page IconTo Next Page
To Previous Page IconTo Previous Page
To Previous Page IconTo Previous Page
Loading...
DK-1100A Ink Roll Coder Operation Manual
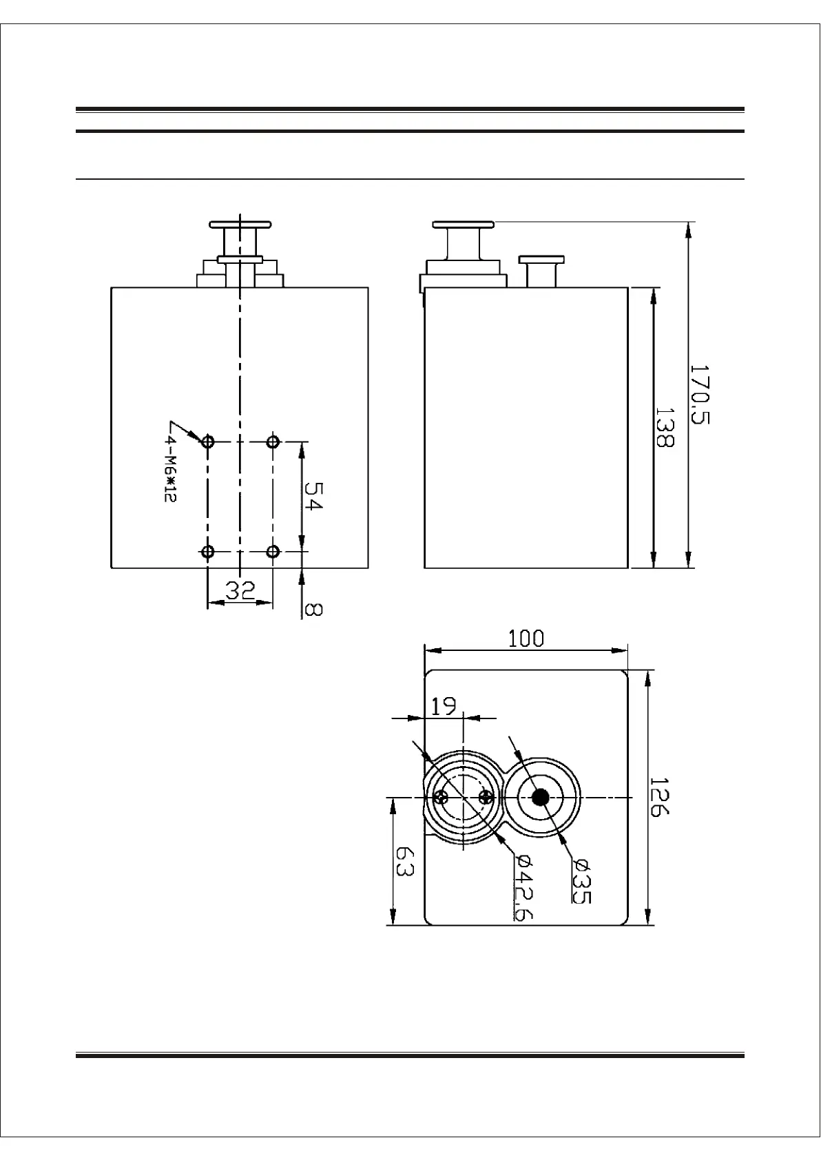
2.3 Dimensional Drawing of Print Head
Diagram 3
The Print Head can be top-installed and side-installed.
SHANGHAI DIKAI SEPARATE MACHINERY CO., LTD.SHANGHAI DIKAI SEPARATE MACHINERY CO., LTD. 2-102-10