EasyManua.ls Logo

Dolmar HT-2145 D - Handle, Gear, and Shear Blade Assembly (HT-2145 D)

Dolmar HT-2145 D
14 pages
Print Icon
To Next Page IconTo Next Page
To Next Page IconTo Next Page
To Previous Page IconTo Previous Page
To Previous Page IconTo Previous Page
Loading...
1
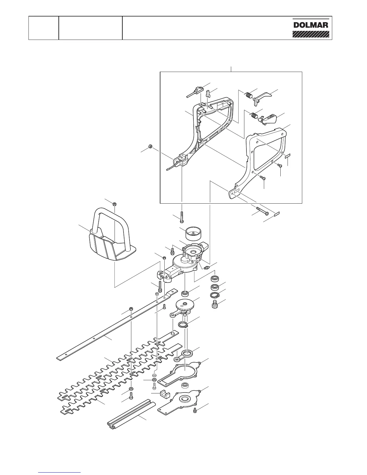
Handle, gear, shear bladeHT-2145 D
HE DGE T R I MM E R
MODE L HT 2145D
12-05
1 Model HT 2145D
39
8
9
5
6
17
18
16
4
25
40
42
43
44
41
38
36
46
45
7
28
32
33
34
35
30
29
31
26
27
24
20
19
21
23
2
22
1
10
12
11
14
15
13

Related product manuals