EasyManua.ls Logo

Dolmar HT-2145 D - Engine, Starter, and Fuel Tank (HT-2145 D)

Dolmar HT-2145 D
14 pages
Print Icon
To Next Page IconTo Next Page
To Next Page IconTo Next Page
To Previous Page IconTo Previous Page
To Previous Page IconTo Previous Page
Loading...
2
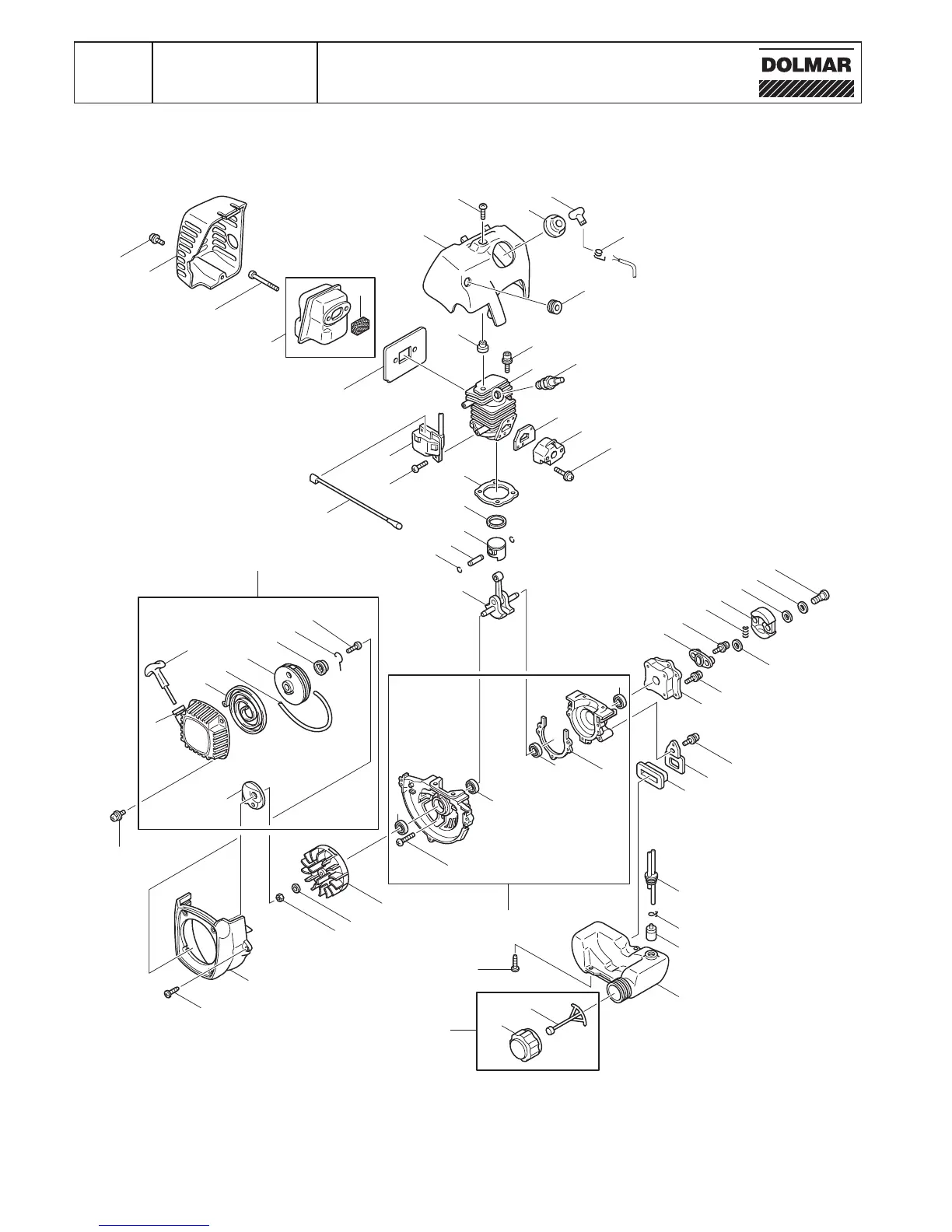
Engine, starter, fuel tank
12-05
2
Model HT2145D
47
48
50
49
51
94
95
96
97
98
99
88
89
90
69
104
105
106
107
108
109
110
111
112
113
114
115
103
102
63
82
61
62
60
64
65
70
71
74
72
73
66
67
68
57
58
54
56
55
53
59
83
76
77
78
79
80
81
100
101
91
84
87
75
92
86
93
37
142
144
143
145
HT-2145 D

Related product manuals