EasyManua.ls Logo

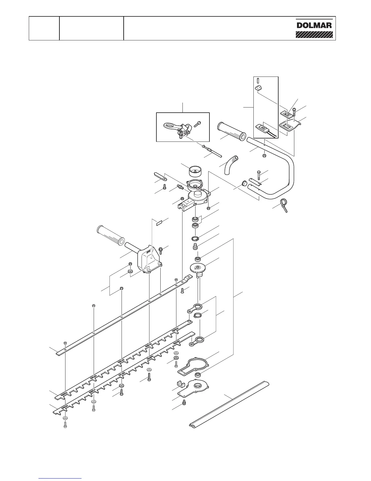
Dolmar HT-2145 D - Handle, Gear, and Shear Blade Assembly (HT-2162 E)

Dolmar HT-2145 D
14 pages
Print Icon
To Next Page IconTo Next Page
To Next Page IconTo Next Page
To Previous Page IconTo Previous Page
To Previous Page IconTo Previous Page
Loading...
4
Handle, gear, shear blade
HT-2162 E

Related product manuals