EasyManua.ls Logo

Dolmar PB-251.4 - Parts Identification

Dolmar PB-251.4
60 pages
Print Icon
To Next Page IconTo Next Page
To Next Page IconTo Next Page
To Previous Page IconTo Previous Page
To Previous Page IconTo Previous Page
Loading...
7
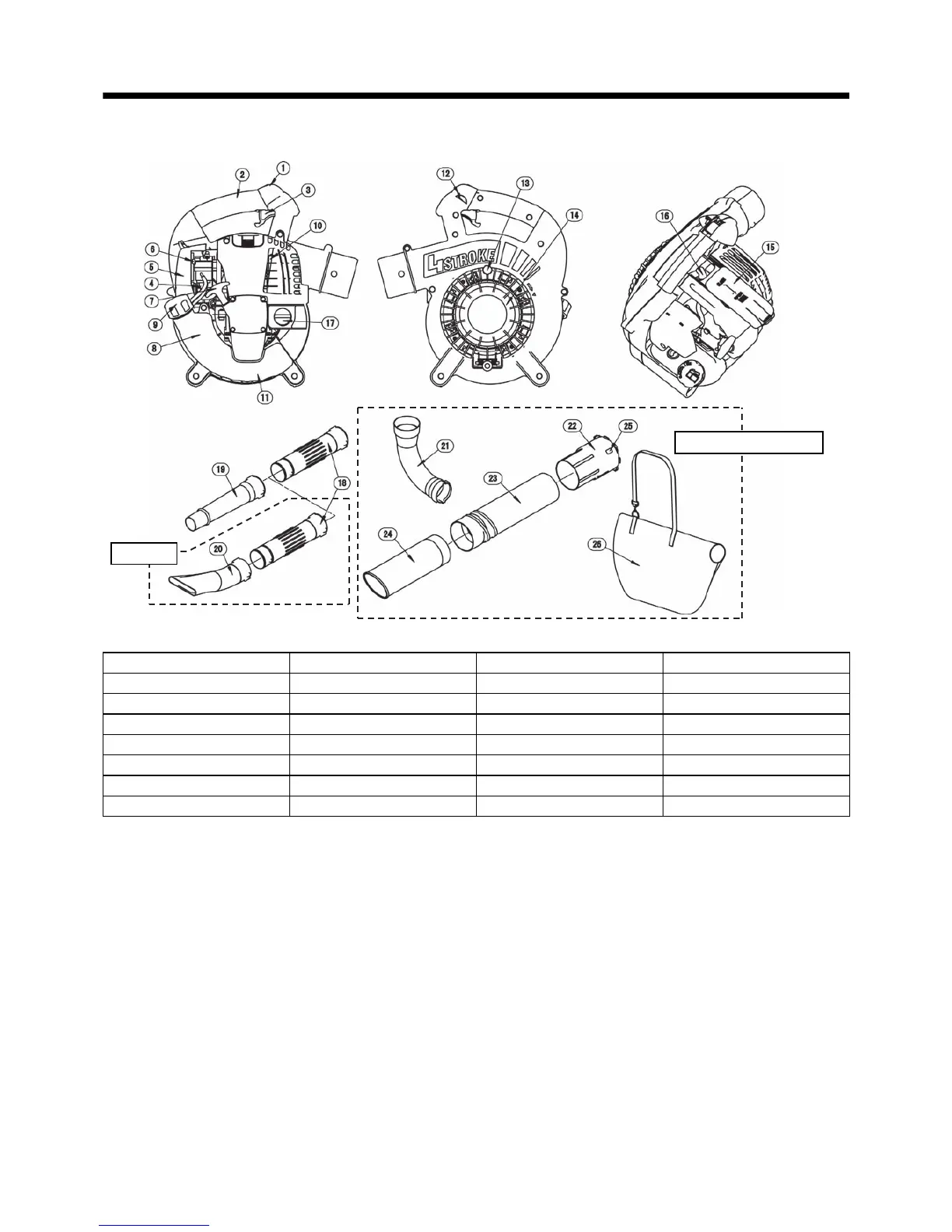
DESIGNATION OF PARTS
DESIGNATION OF PARTS DESIGNATION OF PARTS DESIGNATION OF PARTS DESIGNATION OF PARTS
1. Stop switch 8. Fuel Tank 15. Plug Cover 22. Vacuum Pipe A
2. Main Handle 9. Fuel Tank Cap 16. Spark Plug 23. Vacuum Pipe B
3. Trigger Lever 10. Muffler 17. Oil Cap 24. Vacuum Pipe C
4. Primer Pump 11. Assist Handle 18. Blower Tube 25. Arrow Mark
5. Air Cleaner Cover 12. Cruise Control Lever 19. Blower Nozzle A 26. Dust Bag
6. Choke Lever 13. Screw 20. Blower Nozzle B
7. Starter Handle 14. Protector 21. Elbow
Optional
Vacuum set (Optional)

Other manuals for Dolmar PB-251.4

Related product manuals