EasyManua.ls Logo

Doosan 7/53 - Page 36

Doosan 7/53
60 pages
Print Icon
To Next Page IconTo Next Page
To Next Page IconTo Next Page
To Previous Page IconTo Previous Page
To Previous Page IconTo Previous Page
Loading...
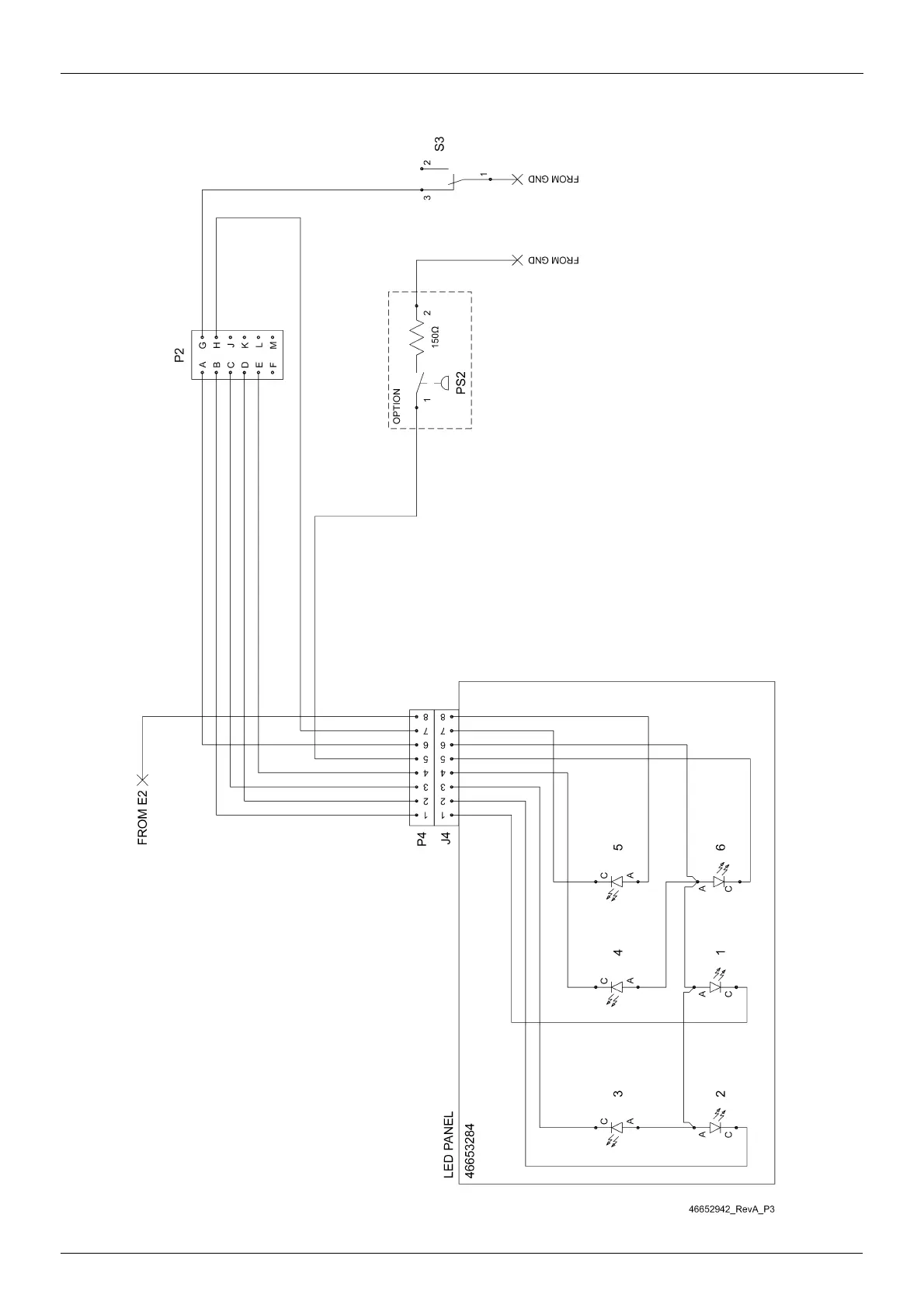
32 ELECTRICAL SYSTEM
7/53
7/53

Table of Contents

Related product manuals