EasyManua.ls Logo

Doosan 7/53 - Page 52

Doosan 7/53
60 pages
Print Icon
To Next Page IconTo Next Page
To Next Page IconTo Next Page
To Previous Page IconTo Previous Page
To Previous Page IconTo Previous Page
Loading...
48 OPTIONS
7/53
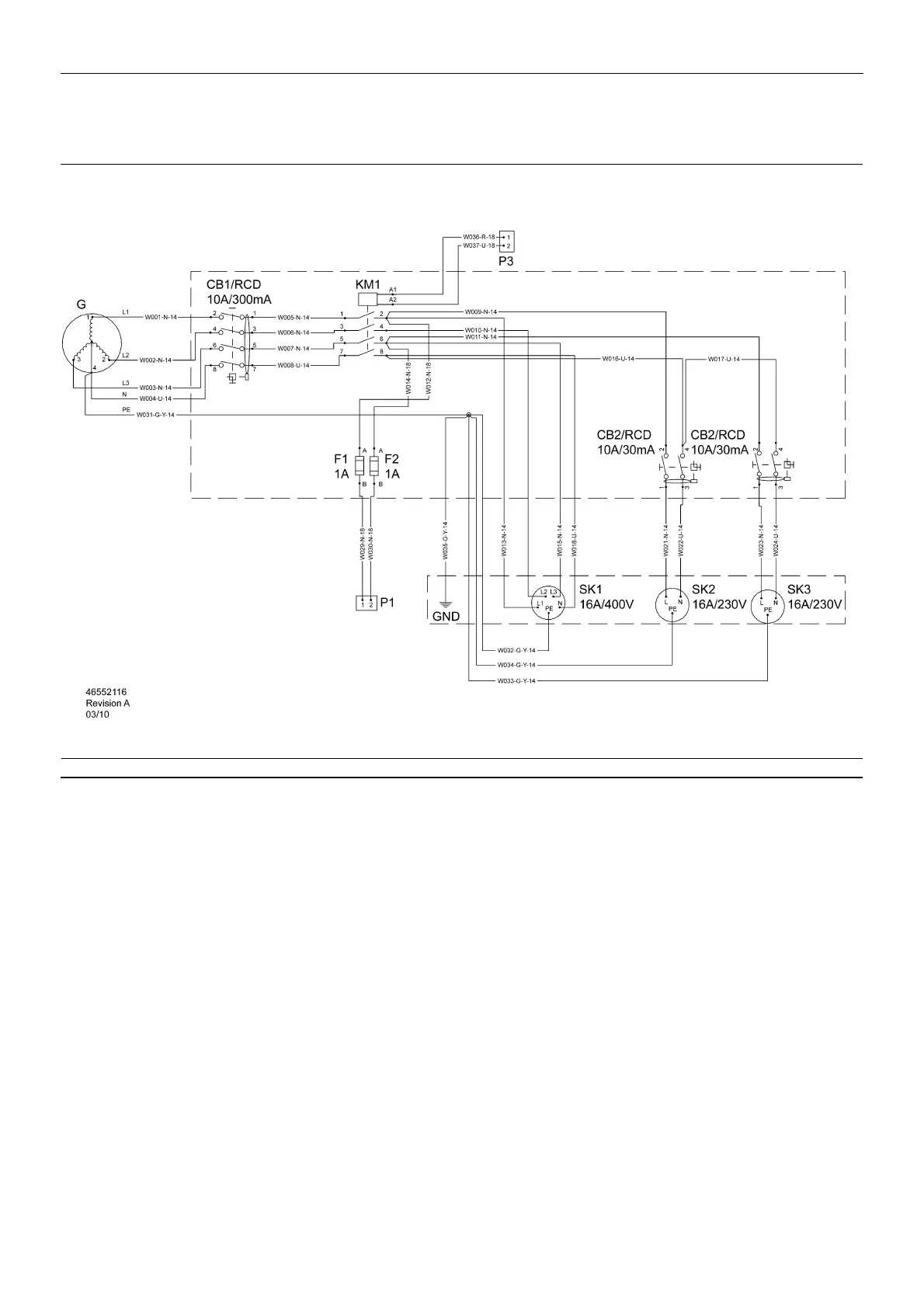
A.C. Electrical Power Schematic Diagram. 400/230V 3 - phase.
Valid for units with component box located inside the machine, above the
generator.
KEY
CB1/
RCD
Circuit breaker 10A
CB2 Circuit breaker 10A
CB3 Circuit breaker 10A
F1 Fuse 1A
F2 Fuse 1A
G Alternator - 3 phase
GND Earth stud
KM1 Contactor
P1 Connector - voltmeter
P3 Connector - generator enable switch
SK1 Socket outlet 16A/400V
SK2 Socket outlet 16A/230V
SK3 Socket outlet 16A/230V

Table of Contents

Related product manuals