EasyManua.ls Logo

DOSKO M2961040K - Wiring Diagram - Item # 2961040 (Honda)

Default Icon
36 pages
Print Icon
To Next Page IconTo Next Page
To Next Page IconTo Next Page
To Previous Page IconTo Previous Page
To Previous Page IconTo Previous Page
Loading...
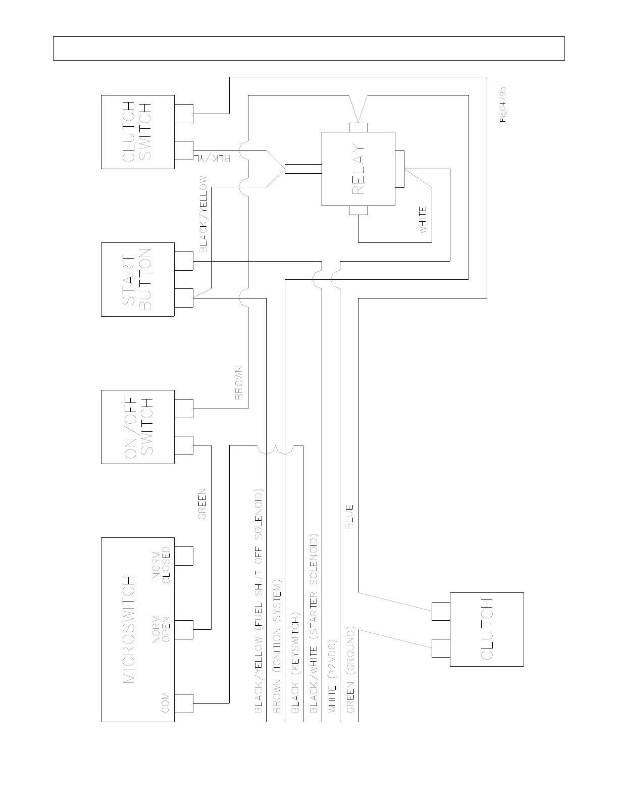
Wiring Diagram – Item # 2961040 (Honda)
33

Related product manuals