EasyManua.ls Logo

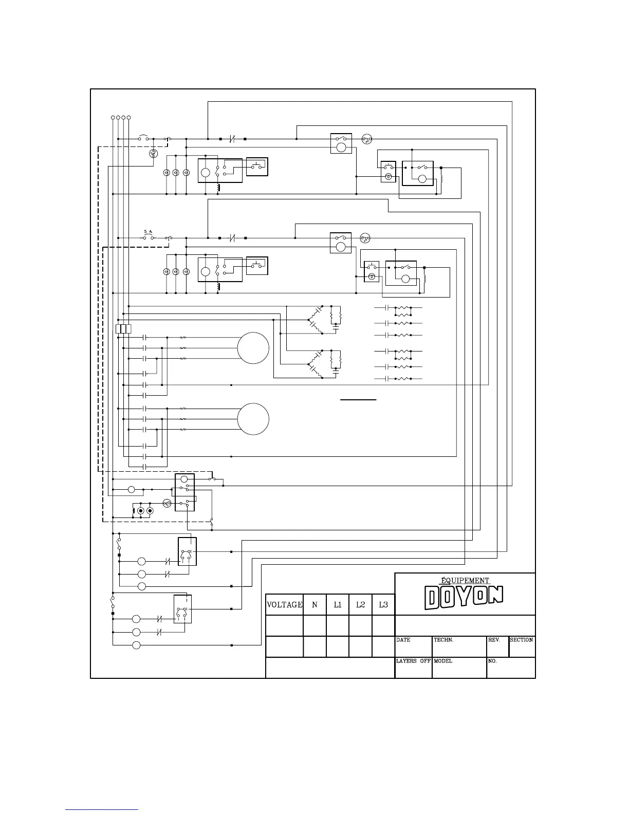
Doyon JA12SL - JA12 SL 3-PHASE 60 Hz SCHEMATIC

Doyon JA12SL
82 pages
Print Icon
To Next Page IconTo Next Page
To Next Page IconTo Next Page
To Previous Page IconTo Previous Page
To Previous Page IconTo Previous Page
Loading...
G17
SW 2.1
OL1−95
OL1−95
OL2−95
OL2−95
SW 1.1
ALARM
4
2
6
SW 2.2
140°F
HIGH
LIMIT
SW 1.2
110°F
LIMIT
HIGH
P.L.
R1
R1−5
5
COOLING FAN
7
1
8
3
VL2
18
15
A1
MODE E
A2
STEAM
SWITCH
B1
TV2
VALVE
OVEN
VL1
15
A1 A2
18
B1
TV1
STEAM
SWITCH
VALVE
OVEN
MODE E
BUZZER
BULB
N2
N1
BUZZER
HIGH
LIMIT
500° F
HIGH
LIMIT
500° F
9 10
7 8
7 8
9 10
ST1
2
1
43
AR
AV
AV
A2
21 22
A1
ST2
2
C1
43
1
AR
AR
AV
AV
A2
AR
C1
A2
A2
21 22
21 22
C2
A2
C2
A1
A1
A1
A1
A1 A2
21 22
ST2
VA2
C2
OL2
95 96
BULB
95 96
OL1
5 A.
C1
VA1
ST1
1
RED
BLK
BLUE
2
3
4
RED
BLK
BLUE
1
2
3
4
BLUE
RED
BLK
C1
C1
C1
C2
C2
C2
BLK
RED
BLUE
4
3
2
1
BLUE
BLK
RED
4
3
2
1
BLUE
BLK
RED
VA2
VA1
OL2
OL1
AV
L3 T3
L2 T2
L1 T1
L1 T1
L2 T2
L3 T3
L1 T1
L2 T2
L3 T3
AR
L3
F3
L2L1N
F2F1
AV
AR
L3 T3
L2 T2
L1 T1
L3 T3
L2 T2
L1 T1
L1 T1
L2 T2
L3 T3
COOKING
SWITCH
COOKING TIMER
H5CX (MODE A−1)
M
1
4
6
8
7
2
THERMOSTAT
STEAM TIMER
H3DE
COOKING
SWITCH
COOKING TIMER
H5CX (MODE A−1)
M
1
4
6
8
7
2
THERMOSTAT
STEAM TIMER
H3DE
2.5KW
EACH
ELEMENT
2.5KW
EACH
ELEMENT
ELECTRONIC
TIMER 1
ELECTRONIC
TIMER 2
M1
3/4 HP
MOTOR
M2
3/4 HP
MOTOR
DOOR
SWITCH
DOOR
SWITCH
120 / 240 3.0A 51.0A 48.0A 58.0A
JA12SL 3 PHASES 60 Hz
31/05/04 M. FAUCHER 1
2, 4, 9 & 10
STANDARD
JA12SL3R
1 / 1
120 / 208 3.5A 58.5A 55.0A 64.0A
&TOTAL POWER: Hz60 21.4 Kw
FOR SUPPLY SYSTEMS CONSISTING OF A DELTA
SECONDARY TRANSFORMER, MAKE SURE THAT
THE PHASE FEEDER WITH THE HIGHEST VOLTAGE
(HIGH LEG) IS CONNECTED TO L3 IN THE SUPPLY
BOX OF THIS OVEN (120 / 240V. 3 PH. SYSTEMS).
WARNING

Related product manuals