EasyManua.ls Logo

DRAKE SP75 - Page 15

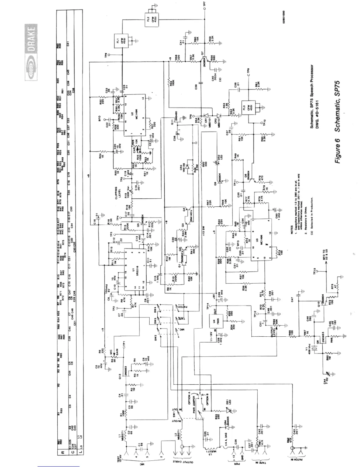
DRAKE SP75
15 pages
Print Icon
To Previous Page IconTo Previous Page
To Previous Page IconTo Previous Page
Loading...

Related product manuals