EasyManua.ls Logo

DRIVEN REFRIGERATION Series - Servicing Your Appliance

DRIVEN REFRIGERATION Series
24 pages
Print Icon
To Next Page IconTo Next Page
To Next Page IconTo Next Page
To Previous Page IconTo Previous Page
To Previous Page IconTo Previous Page
Loading...
Servicing your Appliance
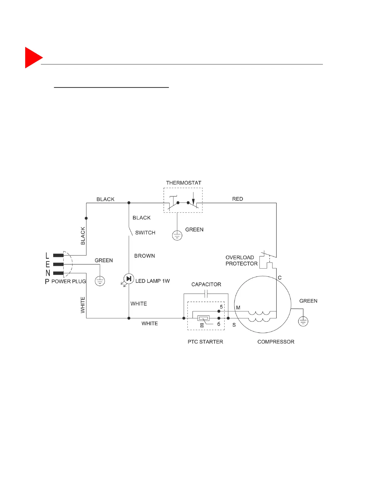
WIRING & TECHNICAL DIAGRAM
The service of this appliance MUST be performed by a qualified technician or service
company.
Failing to use a qualified technician or service company may result in electric shock, fire,
an explosion, problems with the product or injury and void your warranty.
18