EasyManua.ls Logo

DSPM Cobra 3 - Section 1.5. Options; Section 1.6. Overview

Default Icon
54 pages
Print Icon
To Next Page IconTo Next Page
To Next Page IconTo Next Page
To Previous Page IconTo Previous Page
To Previous Page IconTo Previous Page
Loading...
Title: Micro
Doc No.: 018-1000-02
Description: Emergency Lighting Inverter Users Manual Date: 07/26/2016
Rev: NR
1.877.DSPM.POWERPhone : 1.877.377.6769-
909.930.3335Fax:
www.dspmanufacturing.com
Website:
techsupport@dspmanufacturing.com
E-Mail:
ECM120 and ECM277—Environmental Control Module
NOF—Normally OFF Circuit 120Vac or 277Vac
NOH—Normally OFF “Hold On” Circuit 120Vac or 277Vac
OCB—Output Circuit Breaker/(s) 120Vac or 277Vac
EPO—Emergency Power Off
EPO—Emergency Power Off
RSSP—Remote Indicator Panel
SNMP—SNMP Card
FAX—Fax Modem
MB—Modbus Interface
FC—Form C Contacts
STU3—Onsite Startup
EW—Extended Warranty
1.5. OPTIONS (See Unit Options for details)
The following options are available with the Three Phase inverter:
1.6. OVERVIEW.
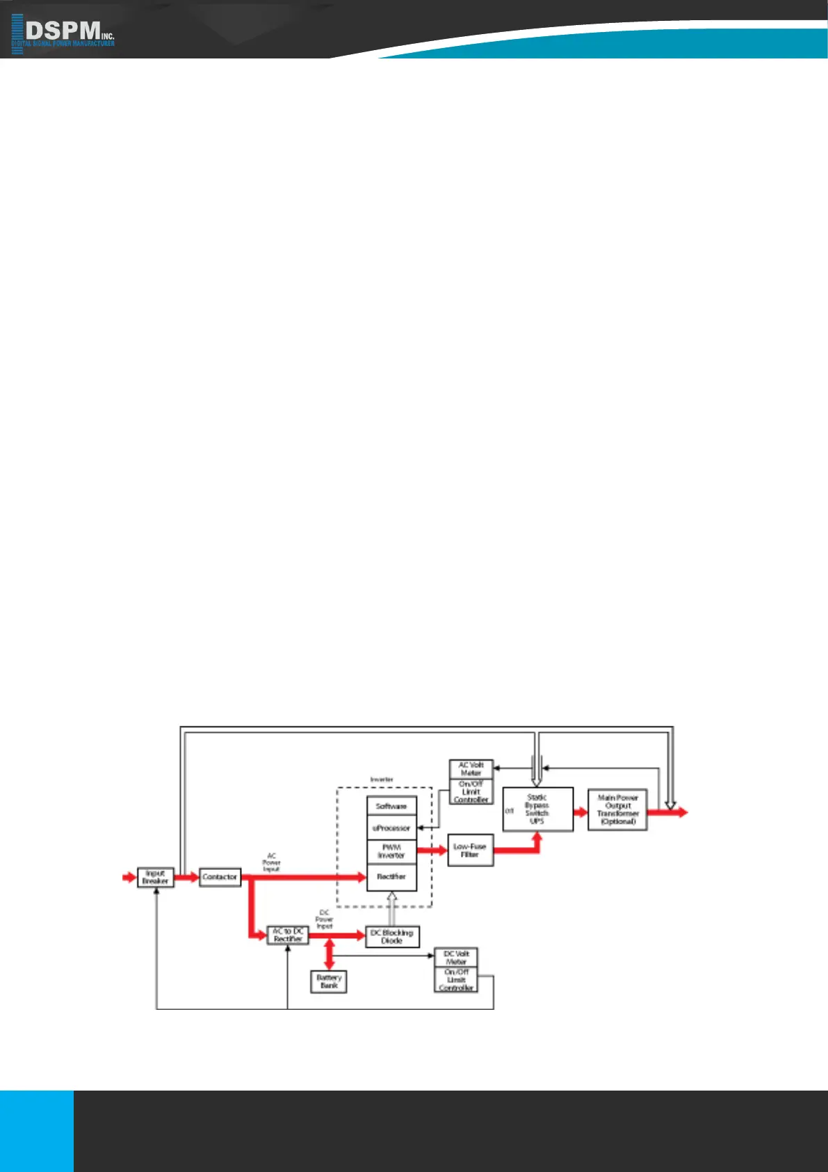
The UPS provides two power paths between the utility source and the critical load. Figure 1 shows the path for normal
operation, with the load powered from the inverter. Figure 2 shows the path for bypass operation, with the load supplied
through the static bypass line.
The Input circuit breaker (MCCB) for protection of the UPS and cables are eld supplied and eld installed. (See WARN-
ING 2 in section 1.0)
Figure 1 Single line Drawing - Normal operation
15
Title: Three Phase 208 or 208Y/120Vac
Doc No.: 018-6000-00
Description: Emergency Lighting Inverter User’s Manual
Rev: NR
Date: 08/12/2022
Phone :
Website:
E-Mail:
Fax:
1.877.DSPM.POWER-1.877.377.6769
1.877.DSPM.POWER-1.877.377.6769
www.dspmanufacturing.com
techsupport@dspmanufacturing.com

Related product manuals