EasyManua.ls Logo

DT 2-wire - Section4 - Setup and Debug; System Operations; Busy State Management

Default Icon
52 pages
Print Icon
To Next Page IconTo Next Page
To Next Page IconTo Next Page
To Previous Page IconTo Previous Page
To Previous Page IconTo Previous Page
Loading...
DT  System  Technical Guide 34
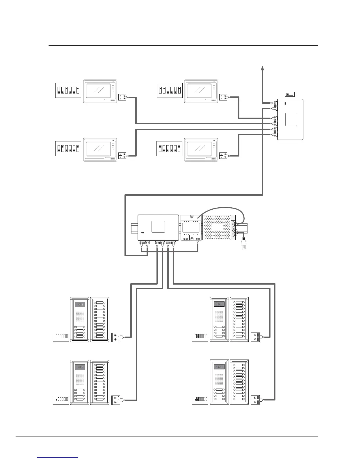
5. 4 Door Stations and star wiring mode
1 2 3 4 5 6
ON
1 2 3 4 5 6
ON
1 2 3 4 5 6
ON
1 2 3 4 5 6
ON
HI
ID=00
1 2 3 4 5 6
ON
ID=01
1 2 3 4 5 6
ON
ID=10
1 2 3 4 5 6
ON
ID=11
1 2 3 4 5 6
ON
DBC-4
A B C D
IN
OUT
85~260VAC
DPS
PS5
Code=4, DIP-6=on
CALL
UNLOCK
TALK/MON
IN-USE
Code=3, DIP-6=on
Code=2, DIP-6=on Code=1, DIP-6=on
CALL
UNLOCK
TALK/MON
IN-USE
CALL
UNLOCK
TALK/MON
IN-USE
CALL
UNLOCK
TALK/MON
IN-USE
DPS-4
A B C D
BUS