EasyManua.ls Logo

Duncan Enviro DD30 - Page 42

Default Icon
93 pages
Print Icon
To Next Page IconTo Next Page
To Next Page IconTo Next Page
To Previous Page IconTo Previous Page
To Previous Page IconTo Previous Page
Loading...
40
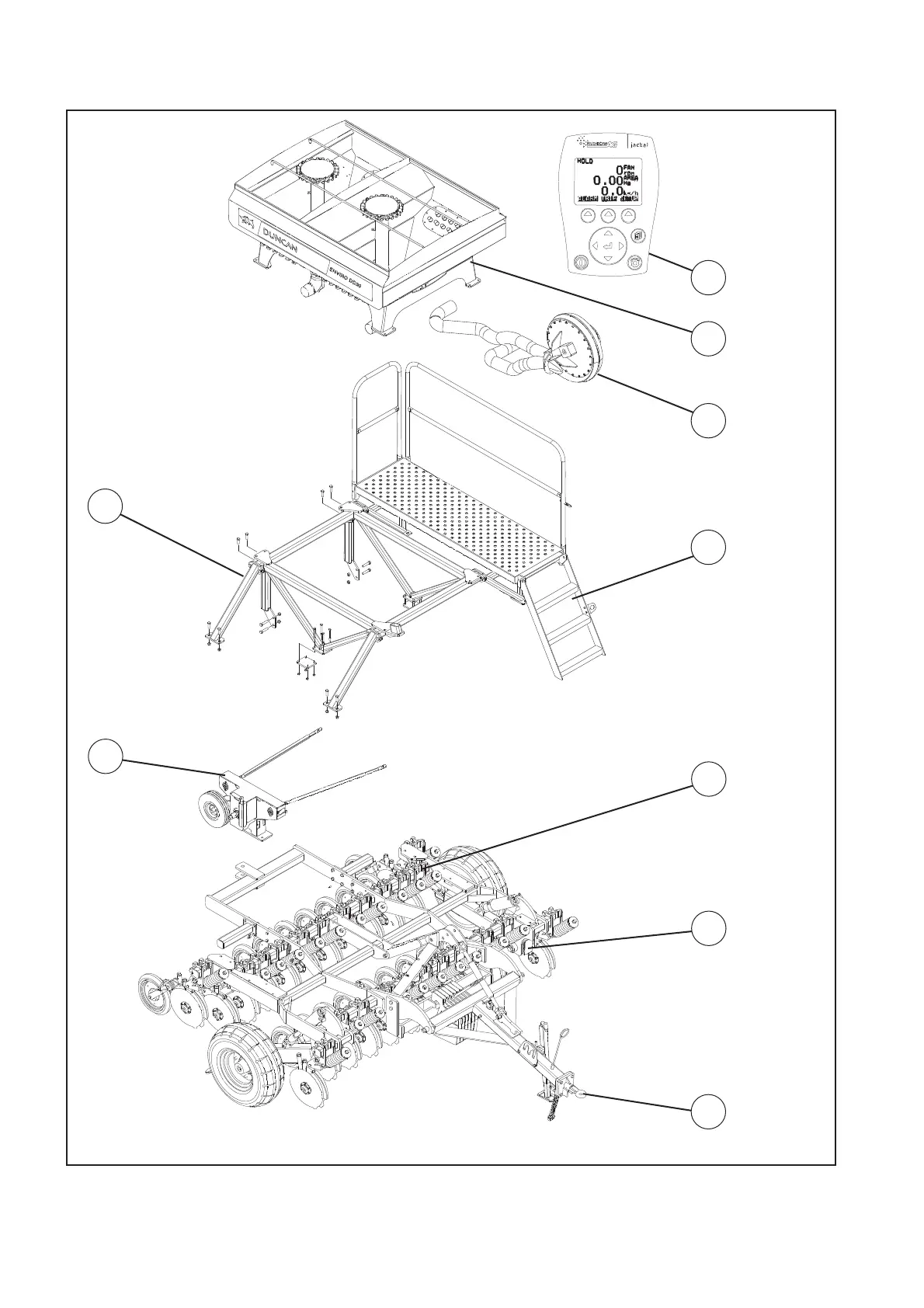
‘Enviro DD30’ Complete Assembly
7
3
1
8
2
4
6
9
5

Related product manuals