EasyManua.ls Logo

Dunkirk PVSB-4D - Page 9

Dunkirk PVSB-4D
36 pages
Print Icon
To Next Page IconTo Next Page
To Next Page IconTo Next Page
To Previous Page IconTo Previous Page
To Previous Page IconTo Previous Page
Loading...
9
INSTALLATION - SYSTEM PIPING
For gravity return systems, the bottom of the lowest
13.
steam carrying pipe, be it a dry return, or the end of the
steam main, must be at least 28” above the normal water
level line on the right side of the boiler. This is known as
“Dimension A.”
For pumped return systems, follow the condensate
14.
pump or boiler feed pump manufacturer’s instructions
for proper installation and hookup.
In connecting the cold water supply to the water inlet
15.
valve, make sure that a clean water supply is available.
When the water supply is from a well or pump, a sand
strainer should be installed at the pump.
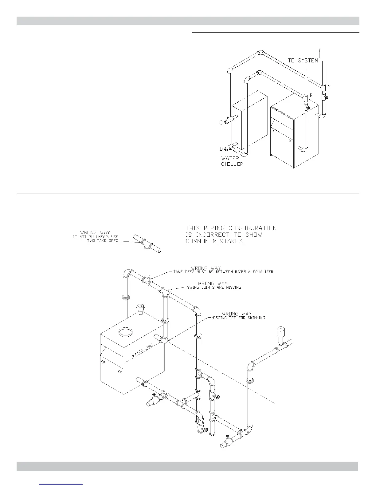
FOR USE WITH COOLING UNITS
The boiler, when used in connection with a A.
refrigeration system, must be installed so the chilled
medium is piped in parallel with the boiler with
appropriate valves to prevent the chilled medium
from entering the boiler. See Figure 4.
Figure 4 - Chilled Water Piping
VALVES A & B OPEN FOR HEATING; CLOSE FOR COOLING
VALVES C & D CLOSE FOR HEATING; OPEN FOR COOLING
Figure 3B - Common Near Boiler Piping Mistakes

Related product manuals