EasyManua.ls Logo

Dunkirk Q90-200 - Page 18

Dunkirk Q90-200
48 pages
Print Icon
To Next Page IconTo Next Page
To Next Page IconTo Next Page
To Previous Page IconTo Previous Page
To Previous Page IconTo Previous Page
Loading...
18
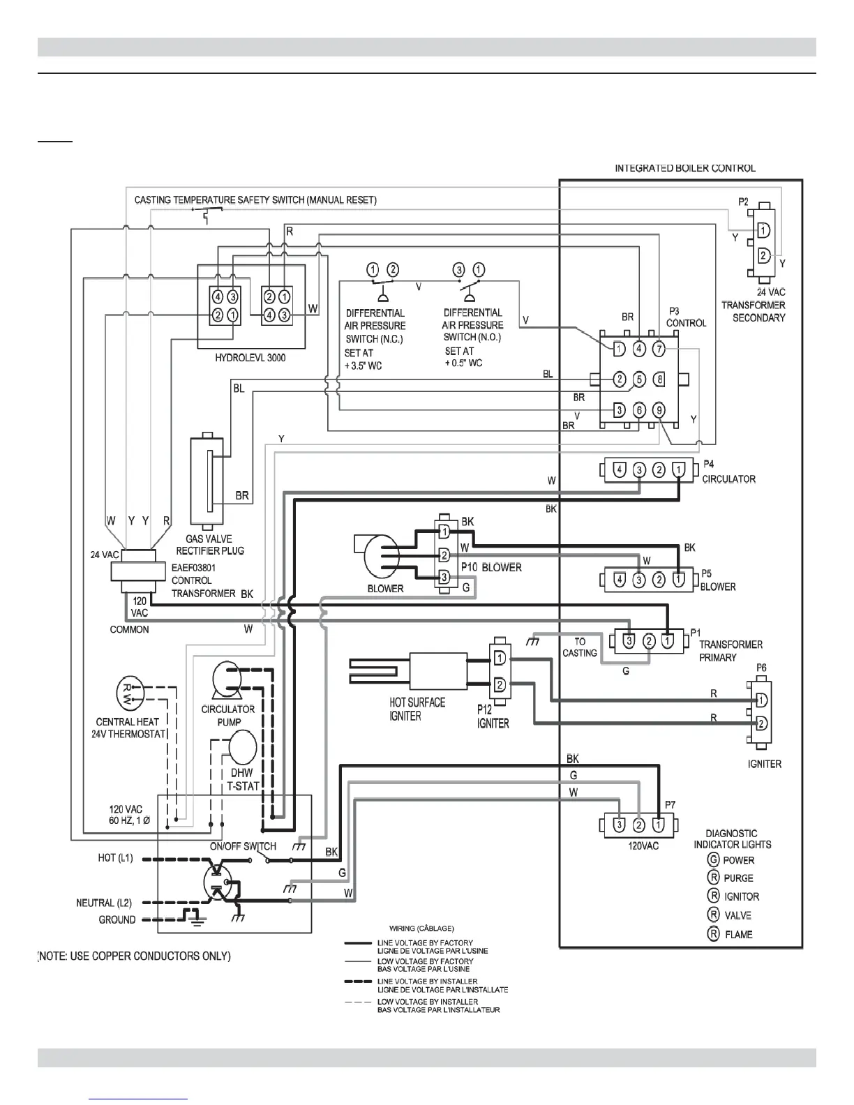
NOTE: If any of the original wire as supplied with this appliance must be replaced, it must be replaced with type 150°C
Thermoplastic wire or its equivalent.
8 - ELECTRICAL WIRING
Figure 16 - Schematic Wiring Connections

Related product manuals