EasyManua.ls Logo

Duratech PL-REM - Page 15

Duratech PL-REM
44 pages
Print Icon
To Next Page IconTo Next Page
To Next Page IconTo Next Page
To Previous Page IconTo Previous Page
To Previous Page IconTo Previous Page
Loading...
15
NL
Installatie instructies
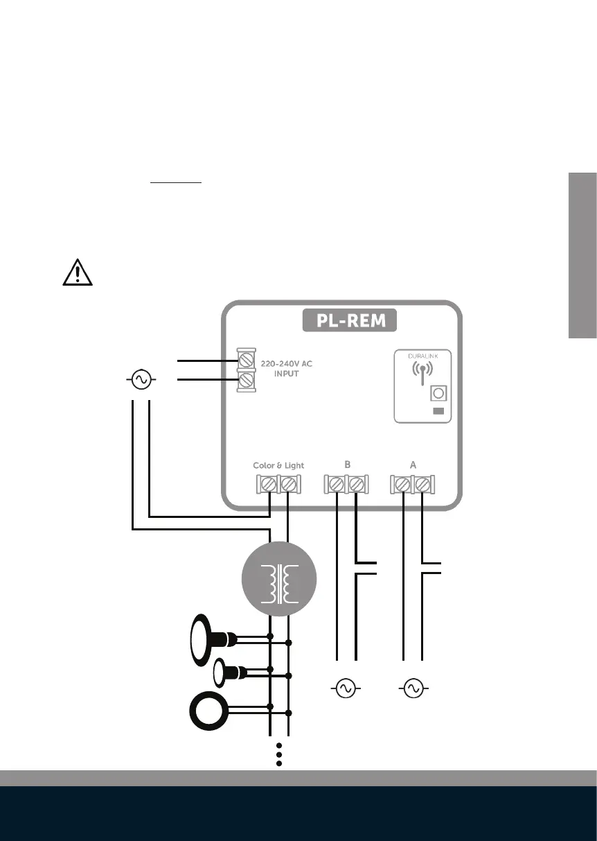
230VAC
Garden lights
Pool cover
230VAC
230VAC
12VAC
Optie 1: PL-REM in primaire kring van de transfo
Verbind een 230VAC voedingsbron met de “220-240VAC INPUT”
aansluitklem
Verbind de primaire kant van een 12VAC transfo (afzonderlijk ver-
krijgbaar) in serie metde “Color & Light” klemmen van de PL-REM
Het “Color & Light” contact heeft een maximum output van 14A, zodat
de aangesloten transfo maximaal 3000W mag zijn (220V x 14A)
Optioneel: De “A” & “B” aansluitklemmen kunnen gebruikt worden om
additionele circuits (zoals tuinverlichting of zwembad-
afdekking) aan te sturen