EasyManua.ls Logo

Duratech PL-REM - Installationsanleitung

Duratech PL-REM
44 pages
Print Icon
To Next Page IconTo Next Page
To Next Page IconTo Next Page
To Previous Page IconTo Previous Page
To Previous Page IconTo Previous Page
Loading...
35
DE
Installationsanleitung
230VAC
Garden lights
Pool cover
230VAC
230VAC
12VAC
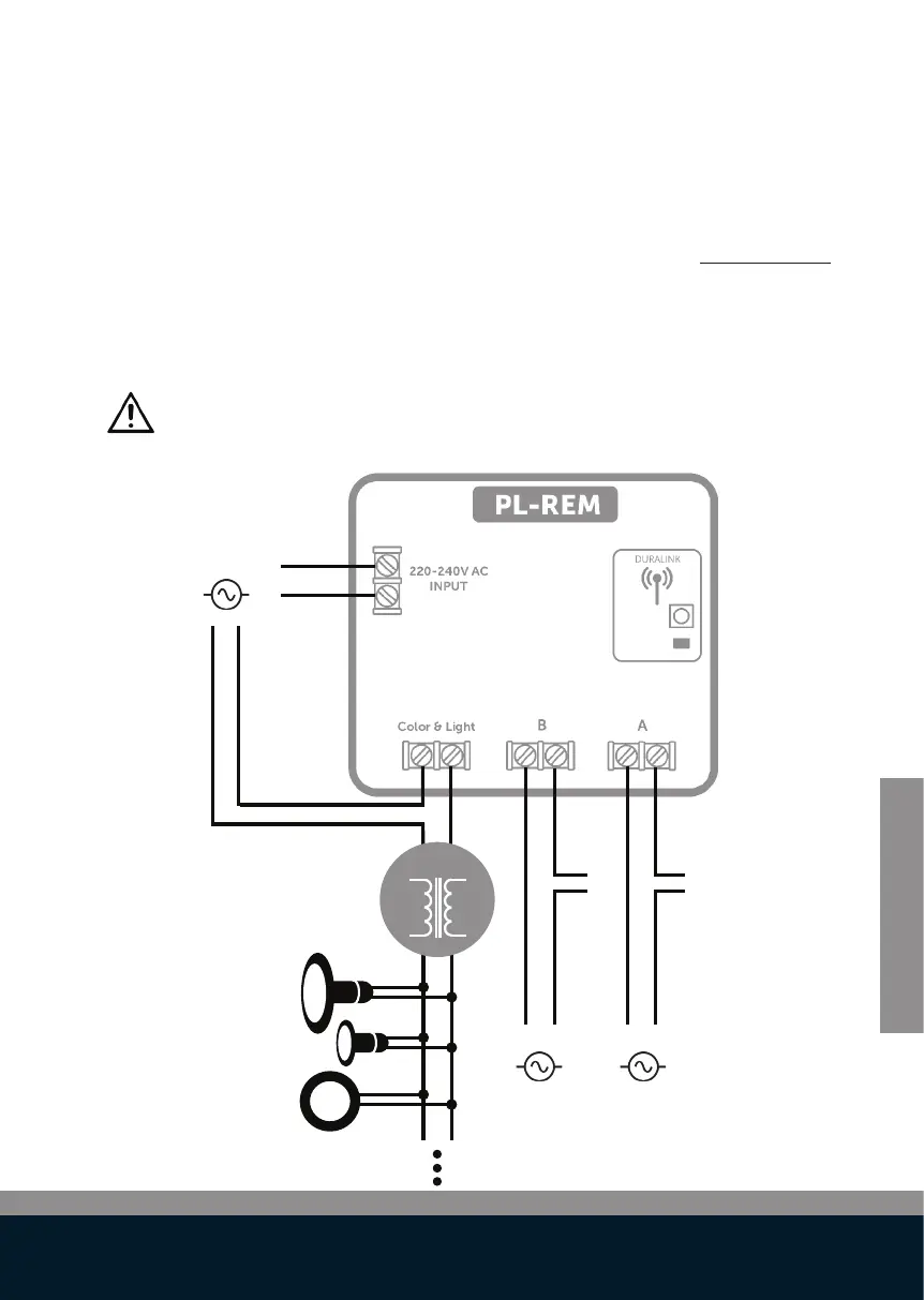
Option 1: PL-REM in Primärkreis des Transformators
Schließen Sie eine 230VAC-Stromquelle an den “220-240VAC IN-
PUT”-Anschluss
Schließen Sie den Primärkreis eines 12 VAC Transformators (separat
erhältlich) mit dem „Color&Light“ Anschluss der PL-REM in eine Reihe.
Der “Color&Light”-Relaisausgang weist eine Spannung von 14A auf, die
einen 12V Transformer von max. 3000W (220Vx14A) betreiben kann.
Die Gesamtleistung der Poolbeleuchtung darf diesen Wert nicht über-
steigen.
Optional: Die “Switch A & “Switch B”-Anschlüsse können zur Steuerung
zusätzlicher Schaltkreise wie Poolabdeckung oder Garten
beleuchtung verwendet werden.