EasyManua.ls Logo

Duratech PL-REM - Page 36

Duratech PL-REM
44 pages
Print Icon
To Next Page IconTo Next Page
To Next Page IconTo Next Page
To Previous Page IconTo Previous Page
To Previous Page IconTo Previous Page
Loading...
36
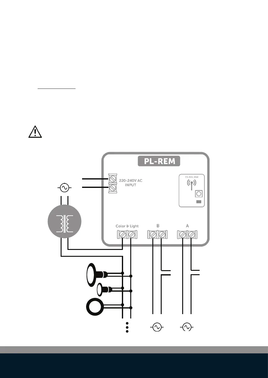
Option 2: PL-REM in Sekundärkreis des Transformators
Schließen Sie eine 230VAC-Stromquelle an den “220-240VAC IN-
PUT”-Anschluss
Schließen Sie den Sekundärkreis eines 12 VAC Transformators
(separat erhältlich) mit dem „Color&Light“-Anschluss der PL-REM
in eine Reihe.
230VAC
Garden lights
Pool cover
230VAC
230VAC
12VAC
Der “Color&Light”-Relaisausgang weist eine Spannung von 14A auf,
die einen 12V Transformer von max. 170W (12Vx14A) betreiben kann.
Die Gesamtleistung der Poolbeleuchtung darf diesen Wert nicht über-
steigen.
Optional: Die “Switch A & “Switch B”-Anschlüsse können zur Steuerung
zusätzlicher Schaltkreise wie Poolabdeckung oder Garten
beleuchtung verwendet werden.