EasyManua.ls Logo

Duratech PL-REM - Instructions Dinstallation

Duratech PL-REM
44 pages
Print Icon
To Next Page IconTo Next Page
To Next Page IconTo Next Page
To Previous Page IconTo Previous Page
To Previous Page IconTo Previous Page
Loading...
25
FR
Instructions d’installation
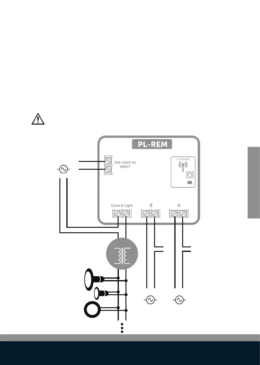
230VAC
Garden lights
Pool cover
230VAC
230VAC
12VAC
Option 1 : PL-REM dans le circuit primaire du transformateur
Raccordez une source d’alimentation de 230 VAC à la borne
« 220-240 VAC INPUT »
Raccordez le circuit primaire d’un transformateur de 12 VAC (ven-
du séparément) en série avec la borne « Color&Light » du PL-REM.
Le relais de contact “Color&Light” a une sortie de 14 A, qui peut alimenter
un transformateur de 12 V de maximum 3000 W (220 V x 14 A). La charge
totale des lampes de la piscine ne peut pas dépasser cette valeur.
Optionnel : Les bornes « Switch A » et « Switch B » peuvent être
utilisées pour contrôler des circuits auxiliaires tels qu’un
système de couverture de piscine ou des lampes de jardin.