EasyManua.ls Logo

Duratech PL-REM - Installation Instructions; Option 1: Transformer Primary Connection

Duratech PL-REM
44 pages
Print Icon
To Next Page IconTo Next Page
To Next Page IconTo Next Page
To Previous Page IconTo Previous Page
To Previous Page IconTo Previous Page
Loading...
5
ENG
Installation instructions
230VAC
Garden lights
Pool cover
230VAC
230VAC
12VAC
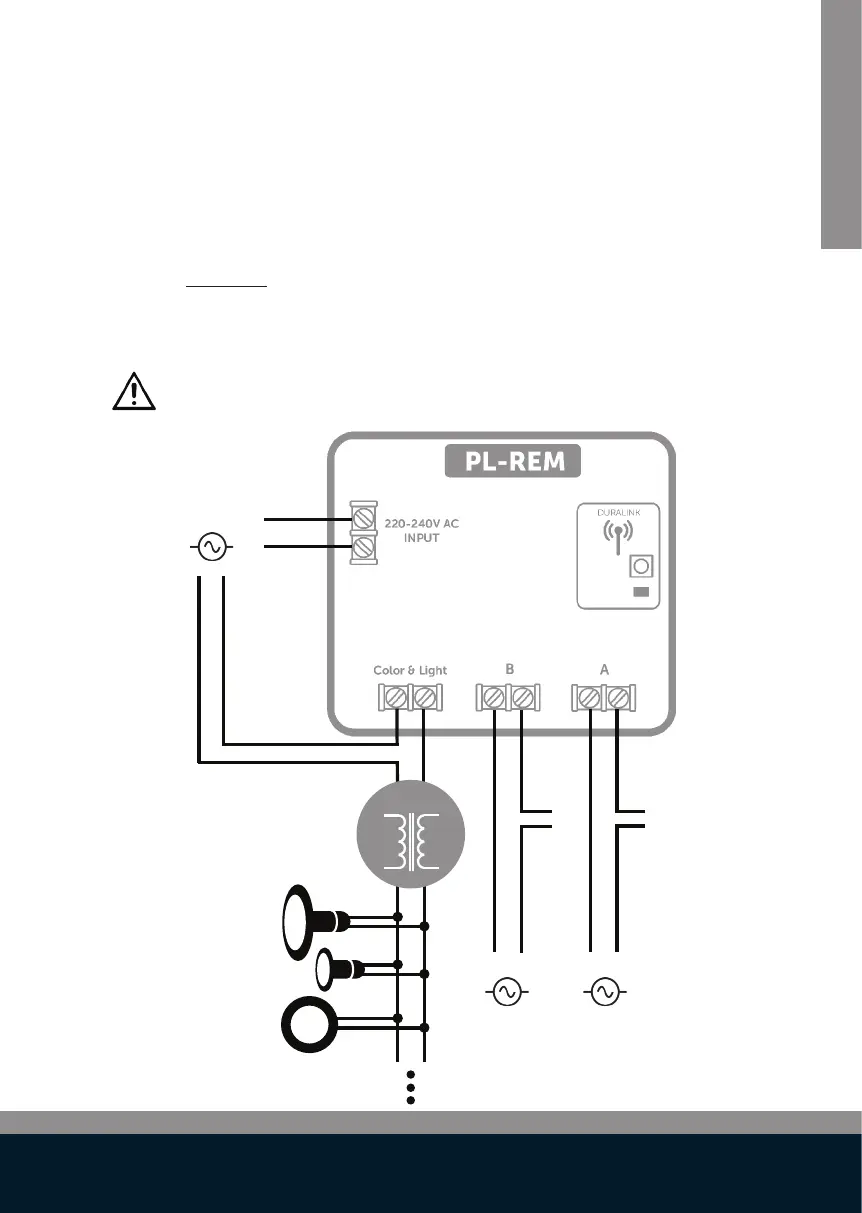
Option 1: PL-REM in transformer primary
Connect a 230VAC power source to the “220-240VAC INPUT”
terminal
Connect the primary circuit of a 12VAC transformer (sold sepa-
rately) in series with the “Color&Light” terminal of the PL-REM.
The “Color&Light” relay contact has an output of 14A, which can
drive a 12V transformer of max. 3000W (220Vx14A).
Optional: The “Switch A” & “switch B” terminals can be used to control
auxiliary circuits like a pool cover or garden lights.