EasyManua.ls Logo

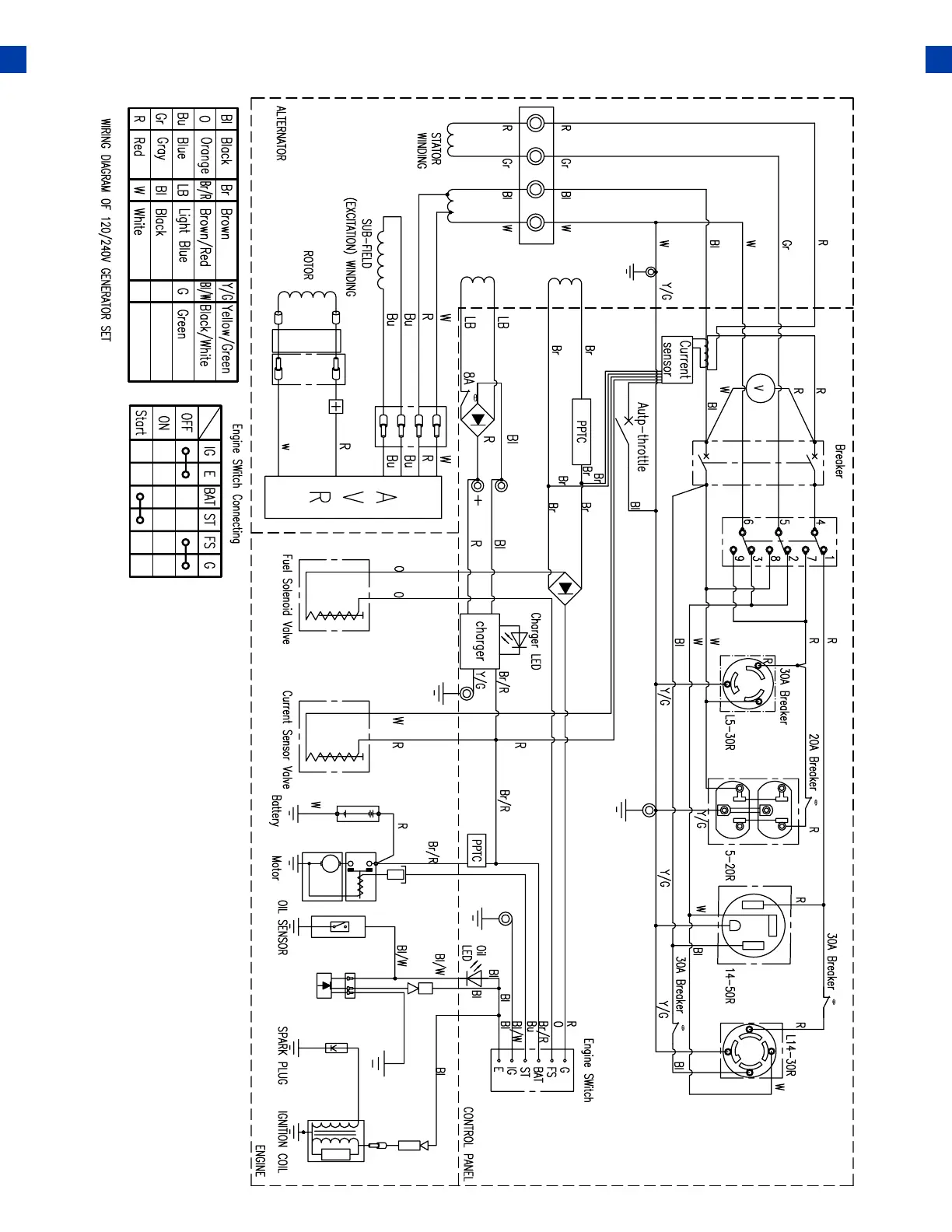
DUROMAX XP12000E - WIRING DIAGRAM; Generator Electrical Wiring Schematic

DUROMAX XP12000E
76 pages
Print Icon
To Next Page IconTo Next Page
To Next Page IconTo Next Page
To Previous Page IconTo Previous Page
To Previous Page IconTo Previous Page
Loading...
WIRING DIAGRAM
68
M

Related product manuals