EasyManua.ls Logo

DUROMAX XP13000E - Page 58

DUROMAX XP13000E
66 pages
Print Icon
To Next Page IconTo Next Page
To Next Page IconTo Next Page
To Previous Page IconTo Previous Page
To Previous Page IconTo Previous Page
Loading...
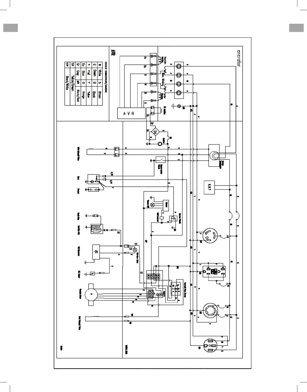
WIRING DIAGRAM
58

Other manuals for DUROMAX XP13000E

Related product manuals