EasyManua.ls Logo

DUROMAX XP7HPE - Parts Descriptions

DUROMAX XP7HPE
30 pages
Print Icon
To Next Page IconTo Next Page
To Next Page IconTo Next Page
To Previous Page IconTo Previous Page
To Previous Page IconTo Previous Page
Loading...
3
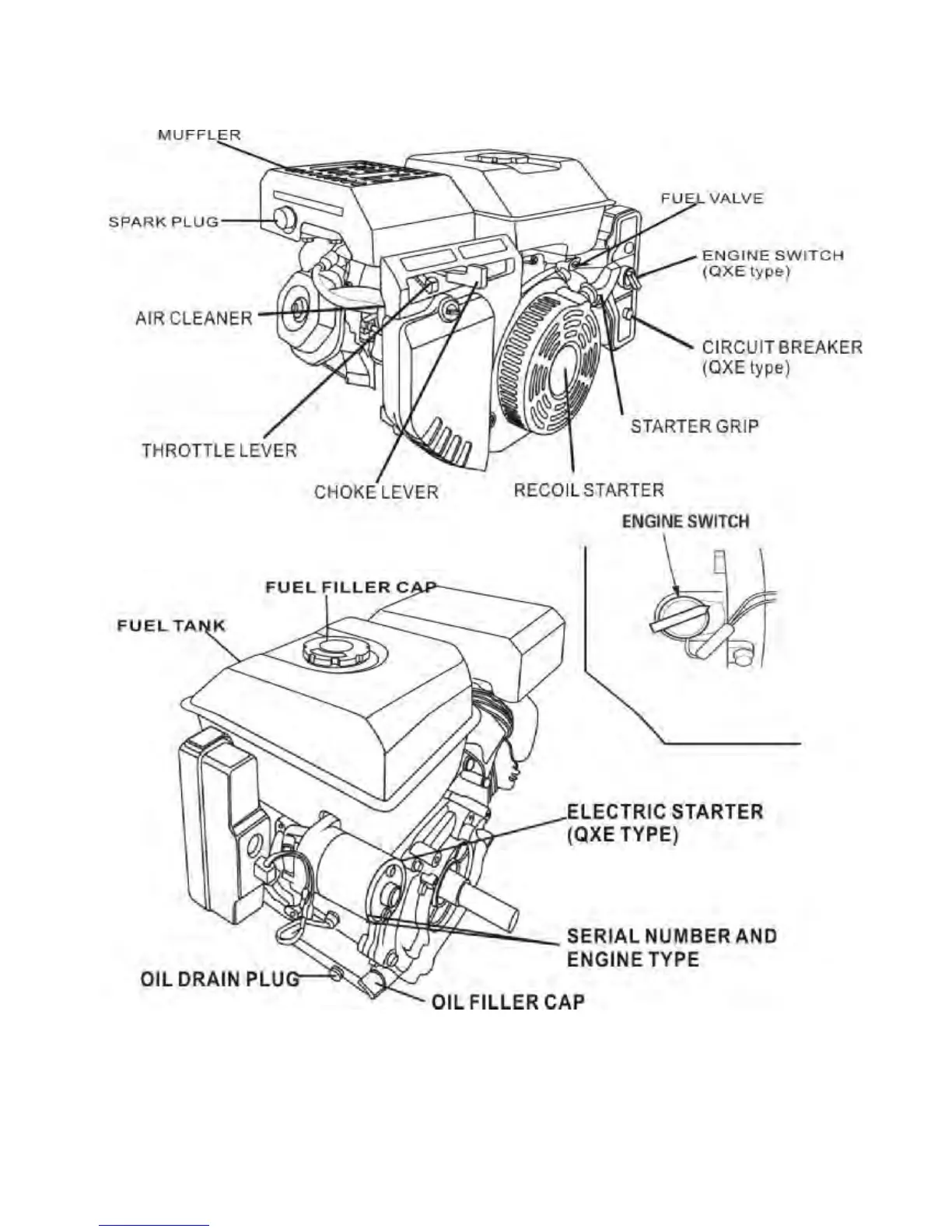
PARTS DESCRIPTION
The main parts of engine are located as follows

Other manuals for DUROMAX XP7HPE

Related product manuals