EasyManua.ls Logo

DUROMAX XP7HPE - Running the Engine

DUROMAX XP7HPE
30 pages
Print Icon
To Next Page IconTo Next Page
To Next Page IconTo Next Page
To Previous Page IconTo Previous Page
To Previous Page IconTo Previous Page
Loading...
8
up until feeling anti-action, and then make a rapid pull.
CAUTION:
Releasing the handle suddenly may make it hitting the
engine. Release the handle slowly conforming to its
recoiling force.
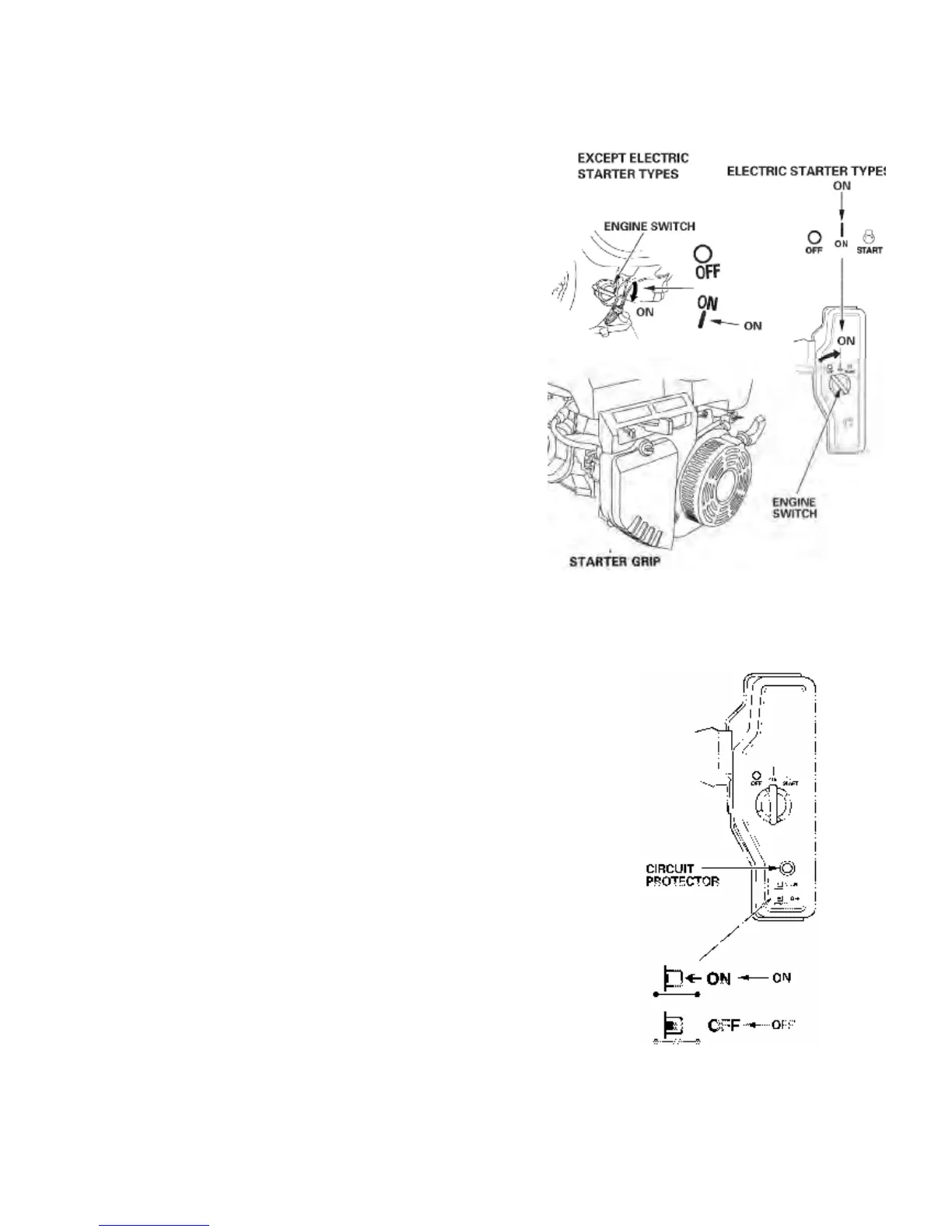
b) Electric starter
Push the engine switch to STARTand remain there
until the engine starts. Once the engine starts, reset the
engine switch to ON.
CAUTION:
Use the engine switch not more than 5 minutes each time to avoid
damage of the engine. Try once more 10 minutes later after last
attempt failures.
RUNNING THE ENGINE
1. Preheat the engine and push back the choke lever to OPEN.
2. Set the throttle lever in proper position to ensure the engine runs
at required velocity.
ENGINE OIL ALARM
The engine oil alarm is designed to function when the engine oil in the crankcase is insufficient.
Lack of engine oil may damage the engine. Oil may damage the engine. Once oil level in the

Other manuals for DUROMAX XP7HPE

Related product manuals