EasyManua.ls Logo

Durr Technik KK15 - Page 73

Durr Technik KK15
88 pages
Print Icon
To Next Page IconTo Next Page
To Next Page IconTo Next Page
To Previous Page IconTo Previous Page
To Previous Page IconTo Previous Page
Loading...
0678106030L02 1411V002 71
Mounting
Oil-free compressor stations
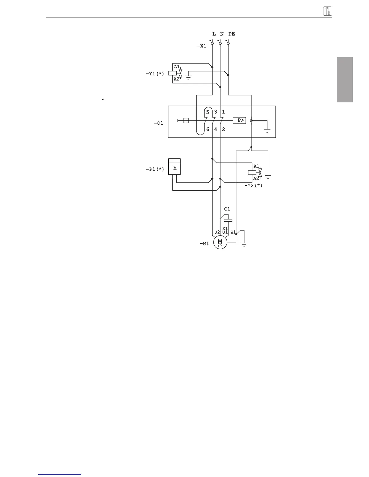
Figure 37: Installation of a compressor unit with single-phase AC motors in a compressor station
-X1 Mains connection
-Y1 Solenoid valve
-Y2 Solenoid valve
-Q1 Pressure switch
-P1 Operating-hour meter
-M1 Compressor motor
EN

Table of Contents