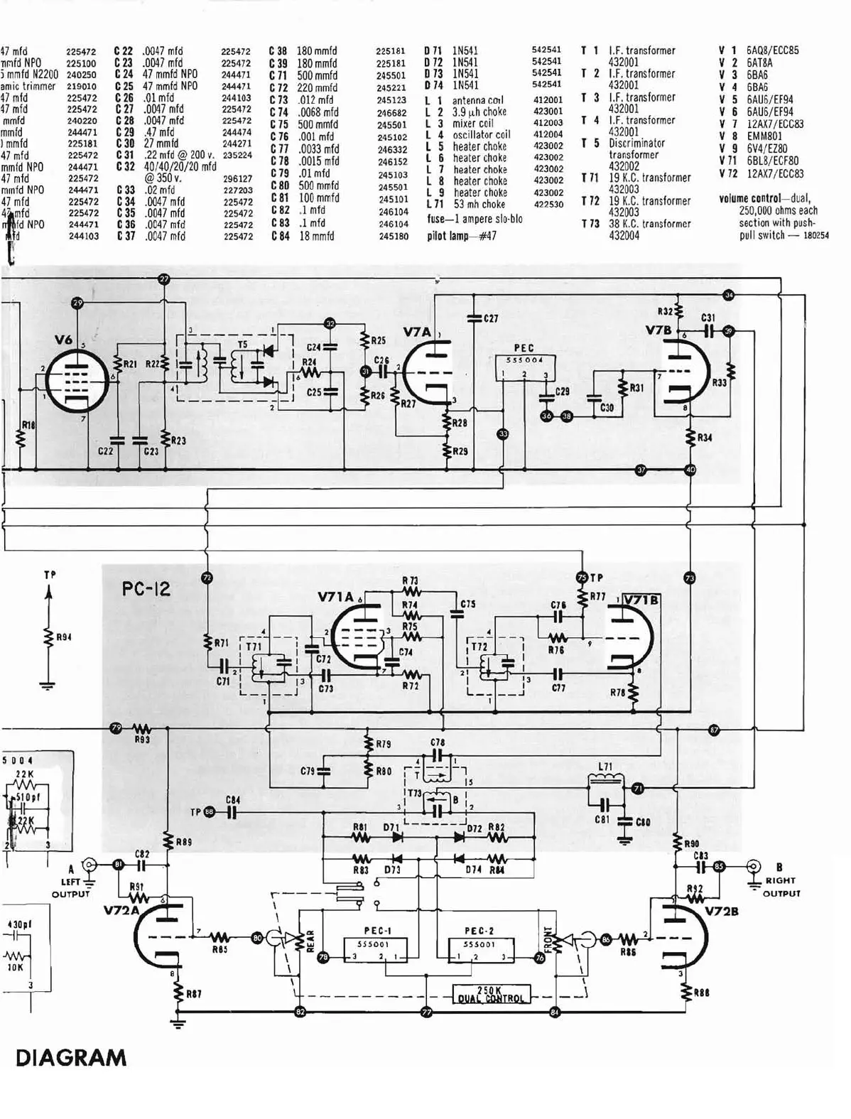
EasyManua.ls Logo

Dyna FM-3 - Page 13

Dyna FM-3
32 pages
Print Icon
To Next Page IconTo Next Page
To Next Page IconTo Next Page
To Previous Page IconTo Previous Page
To Previous Page IconTo Previous Page
Loading...
296127
227203
225472
225472
225472
225472
~7
mfd
nmld
NPO
j
mmld
N2200
amic
trimmer
~7
mfd
Umfd
mmld
mmfd
}
mmfd
47
mfd
mmld
NPO
47
mfd
mmfd
NPO
47
mfd
~
mid
fd
NPO
d
t
225472
225100
240250
219010
225472
225472
240220
244471
225181
225472
244471
225472
244471
225472
225472
244471
244103
C
22
C
23
C
24
C
25
C
26
C
27
C
28
C
29
C
3D
C
31
C
32
C
33
C
34
C
35
C
36
C
37
.0047
mid
225472
.0047
mfd
225472
47
mmld
NPO
244471
47
mmfd
NPO
244471
.01
mfd
244103
.0047
mid
225472
.0047
mid
225472
.47
mid
244474
27
mmfd
244271
.22
mfd
@
200
V.
235224
40/40/20/20
mfd
@
350
v.
.02
mfd
.0047
mfd
.0047
mid
.0047
mfd
.0047
mfd
C
38
C
39
C
71
C72
C
73
C
74
C
75
C
76
C77
C
78
C
79
C
80
C
81
C
82
C
83
C
84
180
mmfd
180
mmfd
500
mmld
220
mmfd
.012
mfd
.0068
mfd
500
mmfd
.001
mfd
.0033
mid
.0015
mfd
.01
mfd
500
mmfd
100
mmfd
.1
mfd
.1
mfd
18
mmld
225181
225181
245501
245221
245123
246682
245501
245102
246332
246152
245103
245501
245101
246104
246104
245180
D
71
1N541
D
72
IN541
D
73
1N541
D
74
1N541
l 1
antenna
cOli
L 2
3.9
lJ.h
choke
l 3
mixer
coil
l 4
oscillator
coil
L 5
heater
choke
L 6
heater
choke
L 7
heater
choke
L 8
heater
choke
L 9
heater
choke
L
71
53
mh
choke
luse-l
ampere
slo·blo
pilot
lamp-#47
542541
542541
542541
542541
412001
423001
412003·
412004
423002
423002
423002
423002
423002
422530
T
T 2
T 3
T 4
T 5
T71
T72
T
73
IJ.
transformer
432001
IJ.
transformer
432001
IJ.
transformer
432001
IJ.
transformer
432001
Discriminator
transformer
432002
19
K.C.
transformer
432003
19
K.C.
transformer
432003
38
K.C.
transformer
432004
V 1
6AQ8/ECC85
V 2
6Al8A
V 3
6BA6
V 4
6BA6
V 5
6AU6/EF94
V 6
6AU6/EF94
V 7
12AX7/ECC83
V 8
EMM801
V 9
6V4/EZ80
V
71
6BL8/ECF80
V
72
12AX7/ECC83
volume
control-dual,
250,000
ohms
each
section
with
push·
pull
switch
-
180254
-----------6r------------------
...
------------------------,
~
R33
~
R32
-
--
r---1~-~7,..-
--
"R31
",_~C29
"'~
I-'
-.C30
..
PEe
I
sss
004
I 2 3
R29
.
=~
=:
"R23
C22
C23
-;..
r
TP
PC-12
V71A
6
R73
"R90
C.I.3
_ ,...
+---n--w>-~-U'>O
)\ B
II
T'
:t
RIGHT
~n
.
OUTPUT
--'
........
-
V72B
--
r&_
lJI-H-D---€-----.J
cal
~C'O
~R79
C79.J.
:~R80
lil~-I~l
L..-
__
'~
T
__
-,
I'
L=J
Is
cee
1T73~8
1
TP
~:1----_---_--3~11--~
II!I.!H
11__..,:1
2
'-------.,
R8I
07.,!
1..-----
...
...J
012
~12
I
'~R89
'.... r
..
....
Q """ W
••
A
.J::'
.
..
R83"
073
DH
itK"
LEFT
':"'
R91
6
OUTPUT
,-\'N\~'----:<l'--'
\ - - -
--.
---,
V72A
....
6~
\ 9
C?L..---1'"--1~------r---,
--
\
---_7-JV'
..
WII'
...--m--Ir4....;lrr::
....
>~'"'
PEC·1
PEC
o
2
tE..
....
"""_.
2
Ri5
';':'1l~;
l I
555001
I
II
SHOOI
I
~
~:=r.;,;..
.....
\ .
CP----t.3
2
14-
I 2
~~"..
\
RIS
\ I \
\ \
'- - - - - - - - - - -
~
OUAn~TROL
~
-
-_\
5 DD4
22~
vvv
i
,51,OPI
'~2it
2~
1
--
":"
DIAGRAM