EasyManua.ls Logo

Dynavector P75 mk4 - Low Output MC Phono Enhancer Mode; PE Mode Overview; Matching Coil DC Resistance; PE Mode Notes and Examples

Dynavector P75 mk4
8 pages
Print Icon
To Next Page IconTo Next Page
To Next Page IconTo Next Page
To Previous Page IconTo Previous Page
To Previous Page IconTo Previous Page
Loading...
5
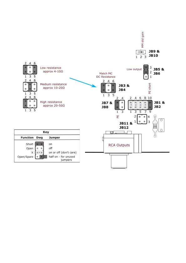
Phono Enhancer mode notes
* The coil resist ance is obtained from the cartridge manufact urer' s specificat ion s.
This resistance is the DC resistance of the coil, sometimes referred to as the
impedance. It is not the cartridge loading resistance.
An example may help:
Dynavector's DV XX2 mkII specification sheet gives the following:
Impedance R = 6 (ohms)
Recommended load resistance >30 Ω. Ignore this in PE Mode.
The DC coil resistance for the DV-XX2 mkII is 6 ohms therefore in PE mode, set
JB3 & 4 for a low resistance coil (the 4 - 10 range)
See www.dynavector.com for complete Dynavector cartridge specifications.
Low output MC - Phono Enhancer Mode (PE Mode)
The diagram below shows the available settings for using the P75 in the special
Phono Enhancer Mode (PE Mode).
One channel is shown for clarity. The other channel is identical.
Match cartridge coil DC resistance*
(sets output level)

Other manuals for Dynavector P75 mk4