EasyManua.ls Logo

Dynavector P75 mk4 - High Output MC or Moving Magnet Settings; Gain Adjustment; MM Cartridge Settings; Final Comments and Advice

Dynavector P75 mk4
8 pages
Print Icon
To Next Page IconTo Next Page
To Next Page IconTo Next Page
To Previous Page IconTo Previous Page
To Previous Page IconTo Previous Page
Loading...
6
High output MC or Moving Magnet
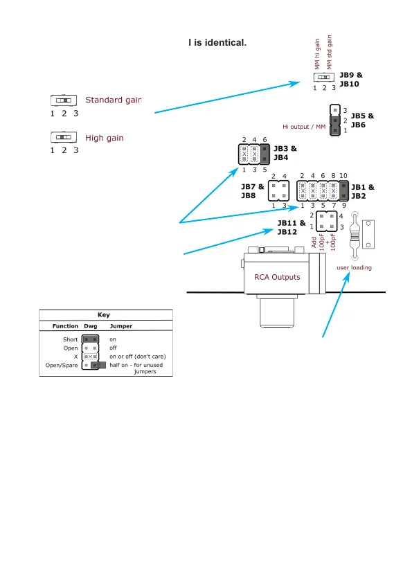
Left channel shown, Right channel is identical.
Standard MM input Capacitance
is 100pF.
Additional input capacitance can
be added via JB10 and JB11.
Fit custom Resistor and
Capacitor loading here.
Fit one or more jumpers here for
MM.
Its a good place to keep unused
jumpers.
To adjust, slide miniature switch.
(remove orange cover tape if present)
Final comments and advice
The P75 solves most cartridge/phono matching issues by presenting the cartridge with
a constant, purely resistive load right across the audio band and beyond. This allows
all cartridge types to perform at their best. It also has far superior rejection of
common-mode noise than other phono amplifiers making it less susceptible to
interference and noise.
Analog playback systems can produce amazing, lifelike sound quality. They do need
a little more care and attention and small changes can make a big difference.
It may seem strange in this online world, but our best advice is to find a great local Hi-
Fi dealer and build a long term relationship with them. A good local Hi-Fi dealer can
transform the sound in your home. They have done all the hard work finding the best
equipment available and can optimise your room acoustics.
Thank you for supporting Dynavector products, happy listening !

Other manuals for Dynavector P75 mk4