EasyManua.ls Logo

E.C.A. Fortius - Page 17

E.C.A. Fortius
42 pages
Print Icon
To Next Page IconTo Next Page
To Next Page IconTo Next Page
To Previous Page IconTo Previous Page
To Previous Page IconTo Previous Page
Loading...
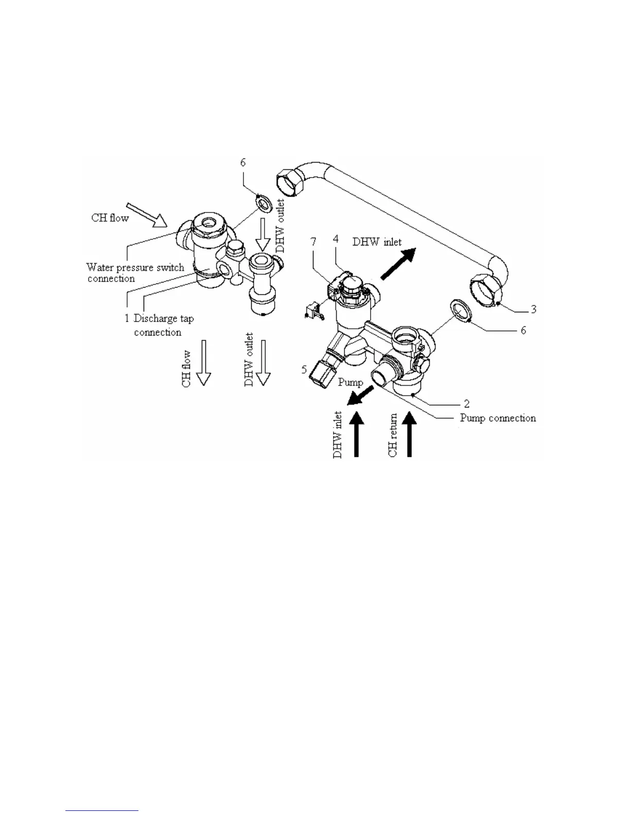
fig. 5a Bithermic Hydroblock
1 Outlet manifold
2 Inlet manifold
3 By-pass pipe
4 Water flow sensor
5 Filling tap
6 Gasket (G3/4” & G1/2”)
7 Hall effect sensor
16

Related product manuals