EasyManua.ls Logo

EarthWise CCS30008 - Features; Product Specifications

EarthWise CCS30008
10 pages
Print Icon
To Next Page IconTo Next Page
To Next Page IconTo Next Page
To Previous Page IconTo Previous Page
To Previous Page IconTo Previous Page
Loading...
I
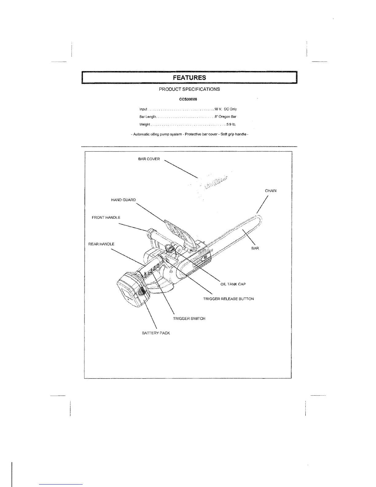
FEATURES
PRODUCT SPECIFICATIONS
CCS300011
Input
....
18
V,
DC Only
Bar
Length
..
.8" Oregon Bar
Weight.
. .5.9 lb.
, Automatic oiling pump system Protective bar
cover"
Soft grip handle"
CHAIN
\
BATTERY PACK
HAND GUARD
FRONT HANDLE
Oil
TANK CAP
TRIGGER RELEASE BUTTON

Related product manuals