EasyManua.ls Logo

Echo EGi-2300 - Page 46

Echo EGi-2300
68 pages
Print Icon
To Next Page IconTo Next Page
To Next Page IconTo Next Page
To Previous Page IconTo Previous Page
To Previous Page IconTo Previous Page
Loading...
3 Español
Detector de CO
en áreas habitadas
Utilícelo únicamente EN EL EXTERIOR
y ALEJADO de ventanas, puertas y
orificios de ventilación.
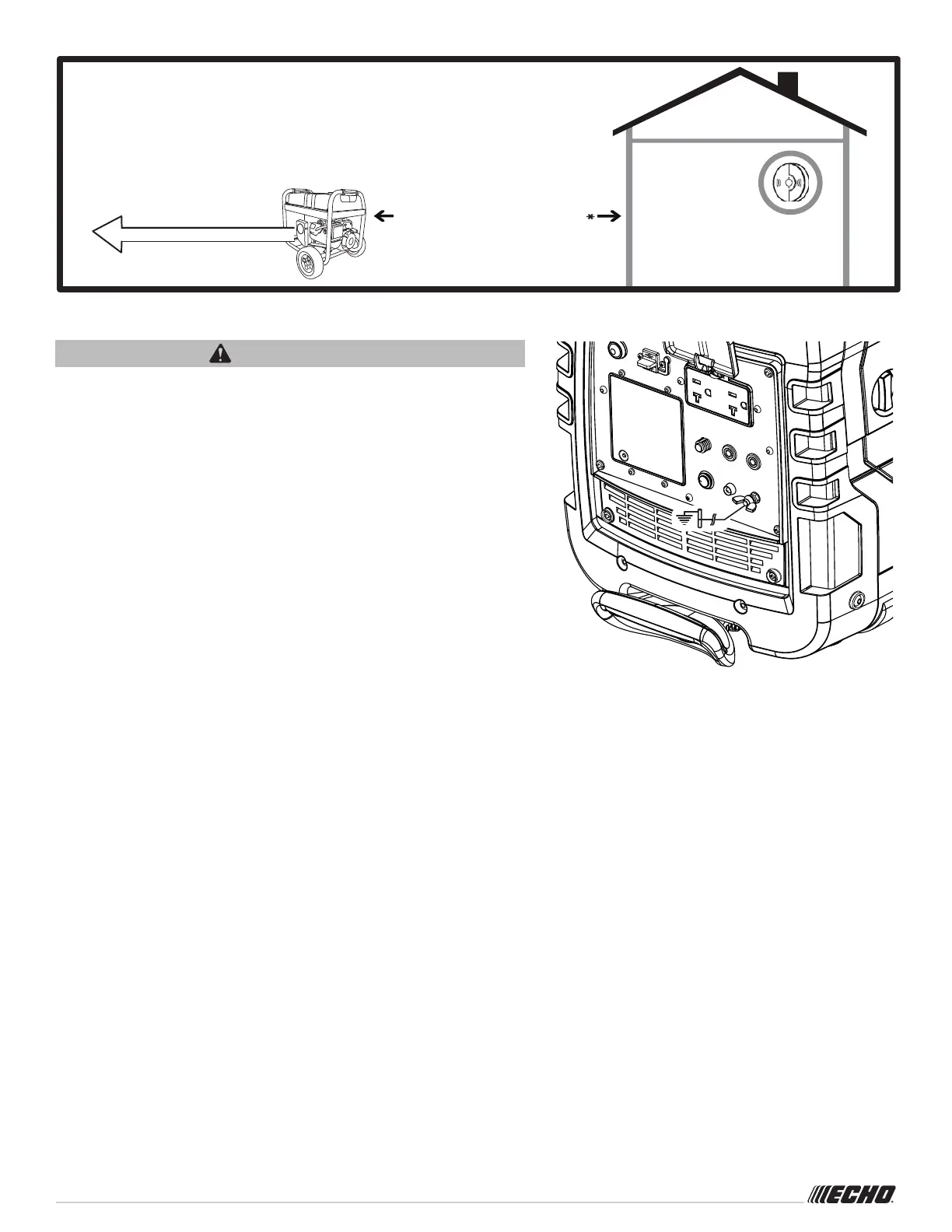
UBIQUE EL GENERADOR A UNA DISTANCIA DE POR LO MENOS 6 M (20 PIES)*
PARA REDUCIR EL RIESGO DE QUE EL MONÓXIDO DE CARBONO
INGRESE EN LA CASA
* Distancia mínima recomendada por el Departamento de Salud y Servicios Humanos y por los
Centros para el Control y la Prevención de Enfermedades de los Estados Unidos (www.cdc.gov/co).
Las condiciones particulares de su casa o del viento puede requerir una distancia adicional.
Escape (CO)
Dirija el escape LEJOS
de ventanas, puertas y
orificios de ventilación.
MANTEGA UNA DISTANCIA DE
POR LO MENOS 6 M (20 PIES)
ADVERTENCIA
Conexión a tierra del generador
Si este generador se utiliza únicamente con aparatos conectados
con cable y enchufe, el Código Eléctrico Nacional no exige que la
unidad esté puesta a tierra. Sin embargo, si se usa el generador
de otra forma, podría ser necesario ponerlo a tierra para reducir
el riesgo de descargas eléctricas o electrocución. Antes de usar
el generador, consulte a un electricista calificado, un inspector
eléctrico o un organismo local que tenga jurisdicción para saber
si es necesario ponerlo a tierra en su situación.
Si es necesario poner a tierra la unidad, deben utilizarse la tuerca
y el terminal de conexión a tierra del bastidor para conectar
el generador a una fuente apropiada de conexión a tierra. La
conexión a tierra debe realizarse con alambre calibre Nº 8.
Conecte el terminal del alambre de conexión a tierra entre la
arandela y la tuerca, y apriete firmemente la tuerca. Conecte el
otro extremo del alambre firmemente a una fuente apropiada de
conexión a tierra que esté en contacto con el suelo a lo largo de una distancia de al menos 2,4 m (8 pies).
El Código Eléctrico Nacional especifica varias maneras prácticas para establecer una buena fuente de conexión a
tierra. Si se utiliza una barra de acero o de hierro, éste debe ser de 15,9 mm (5/8 pulg.) de diámetro, y si se utiliza
una barra no ferrosa, ésta debe ser de 13 mm (1/2 pulg.) de diámetro como mínimo y estar listada como material
adecuado para conexión a tierra. Si encuentra un estrato rocoso antes de llegar a una profundidad de 2,4 m (8 pies),
clave la jabalina de puesta a tierra a un ángulo de a lo sumo 45°. Si aun así la jabalina se encuentra con el estrato
rocoso, se la puede enterrar en una trinchera de al menos 75 cm (30 pulg.) de profundidad. En cualquier caso, el
extremo superior de la jabalina debe estar al ras del suelo (o por debajo del rasante) o protegido de posibles daños
físicos por otro medio.
Todas las herramientas eléctricas y aparatos alimentados por este generador deben conectarse apropiadamente
a tierra mediante el uso de un tercer alambre o tener un diseño con “doble aislamiento”.
Se recomienda:
1. Usar dispositivos eléctricos con clavija de tres patillas conectada a tierra.
2. Para asegurar la continuidad de la protección a tierra del generador al dispositivo, utilice un cordón de extensión
para uso a la intemperie con un receptáculo de tres orificios en un extremo y una clavija de tres patillas en el
otro.
Revise y cumpla con todas las reglas federales, estatales y locales relevantes en relación con las especificaciones
de conexión a tierra. Consulte a un electricista calificado o técnico de servicio si no ha comprendido completamente
las instrucciones de conexión a tierra o si no está seguro si el generador está conectado a tierra correctamente.
Declaración de licencia de Bluetooth
®
La marca y los logotipos Bluetooth
®
son marcas comerciales registradas de Bluetooth SIG, Inc. y cualquier uso de dichas
marcas por TPTTL se realiza bajo licencia. Los demás nombres y marcas comerciales son propiedad de sus respectivos
dueños.

Related product manuals