EasyManua.ls Logo

Echo ES-210 - MAINTENANCE OVERVIEW; Skill Level and Interval Guide

Echo ES-210
27 pages
Print Icon
To Next Page IconTo Next Page
To Next Page IconTo Next Page
To Previous Page IconTo Previous Page
To Previous Page IconTo Previous Page
Loading...
16
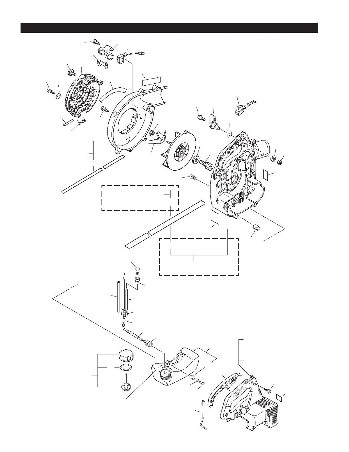
ES-210, 211
SERIAL NUMBERS: 02001001-02999999
1
2
3
4
5
6
7
8
9
10
11
13
14
15
16
17
18
19
21
12
22
23
24
25
26
27
28
29
30
31
32
33
34
35
36
37
38
39
40
41
42
43
44
45
46
47
48
49
50
53
ES-211
51
52
FAN CASE, ENGINE COVER, FUEL SYSTEM
20
S/N:
02001001-02006932
S/N: 02006933-02999999
54
55
56
S/N: 02001001-02006932
S/N: 02006933-02999999

Other manuals for Echo ES-210

Related product manuals