EasyManua.ls Logo

Echo PAS-260 PRO - PARTS CATALOG SERIAL NUMBER S68711001001-S68711999999

Echo PAS-260 PRO - PARTS CATALOG SERIAL NUMBER S68711001001-S68711999999
42 pages
To Next Page IconTo Next Page
To Next Page IconTo Next Page
To Previous Page IconTo Previous Page
To Previous Page IconTo Previous Page
Loading...
99922204162 - 26 - REVISED 10/21/08
Table of Contents Part Number Index
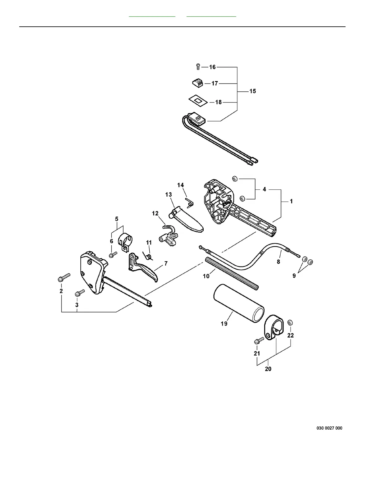
PAS-260 Pro Attachment Series Control Handle,Throttle Cable, Ignition Switch

Related product manuals