EasyManua.ls Logo

Echo PAS-260 PRO - PARTS CATALOG SERIAL NUMBER S75312001001-S75312999999

Echo PAS-260 PRO - PARTS CATALOG SERIAL NUMBER S75312001001-S75312999999
42 pages
To Next Page IconTo Next Page
To Next Page IconTo Next Page
To Previous Page IconTo Previous Page
To Previous Page IconTo Previous Page
Loading...
99922204163 - 6 - REVISED 10/21/08
Table of Contents Part Number Index
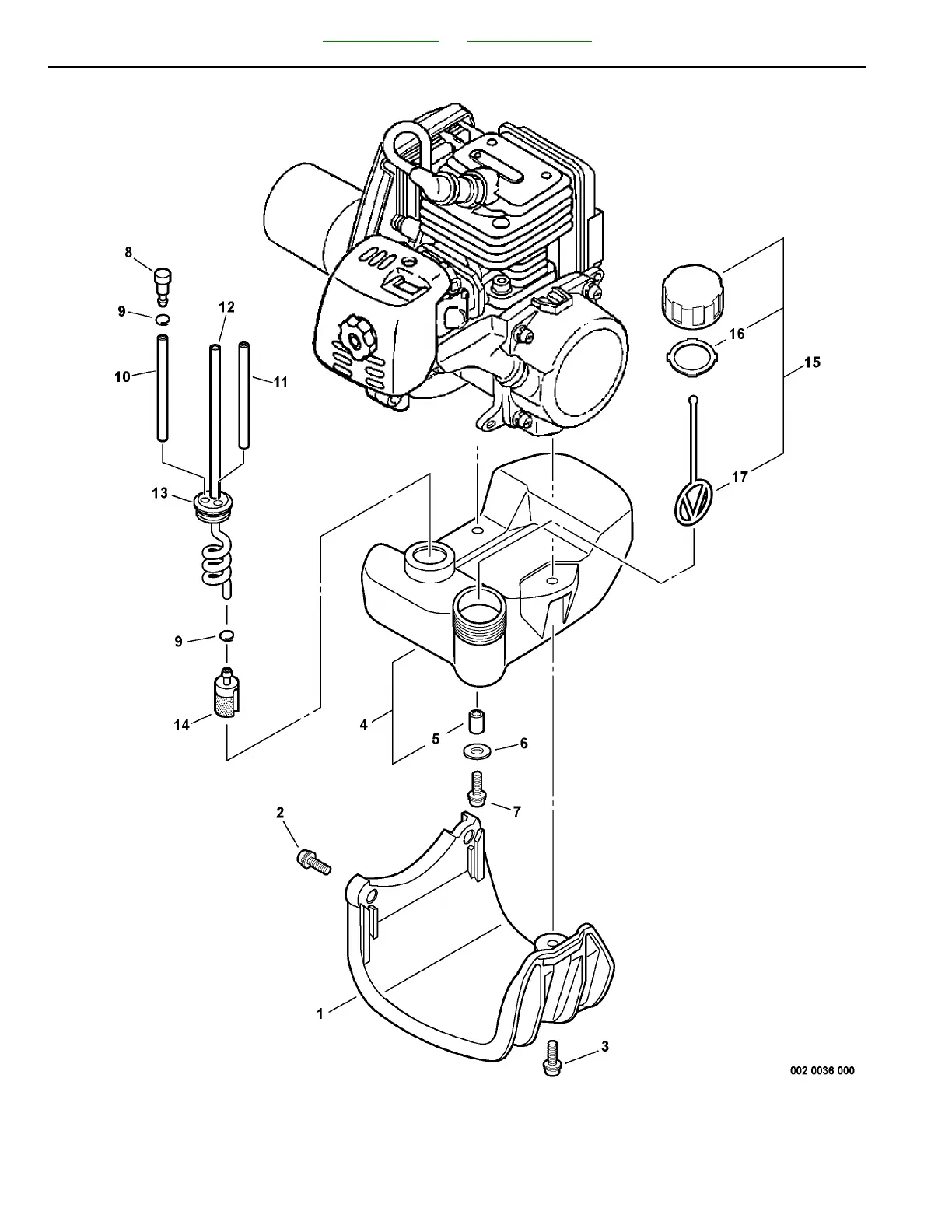
PAS-260 Pro Attachment Series Fuel System

Related product manuals