EasyManua.ls Logo

Echo PPF-2100 - 2 Service Procedure; Gear Case Construction

Echo PPF-2100
12 pages
Print Icon
To Next Page IconTo Next Page
To Next Page IconTo Next Page
To Previous Page IconTo Previous Page
To Previous Page IconTo Previous Page
Loading...
8
PPF-2100 PPT-2100
PPT-2400 PPFD-2400
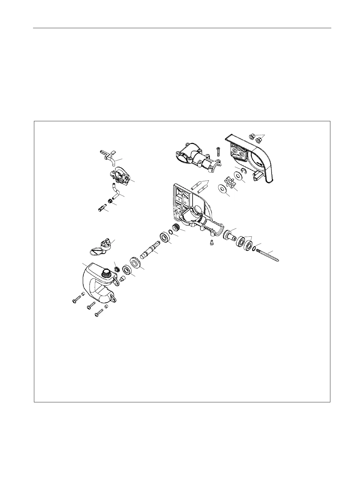
SERVICE PROCEDURE
(E)
(F)
(G)
(G)
(K)
(L)
(M)
(N)
(O)
(P)
(Q)
(R)
(S)
(T)
(A)
(B)
(C)
(C)
(D)
(I)
(H)
(H)
(H)
(J)
(A) Nut for stud bolt
(B) E-ring
(C) Washer
(D) Sprocket
(E) Bar stud bolt
(F) Shaft connector
(Except PPF-2100)
(G) Retaining ring
(H) Ball bearing
(I) Drive gear
(J) Worm gear
(K) Sprocket shaft
(L) Bevel gear
(M) Check valve
(N) Oil tank
(O) Oil tank cap
(P) Oil strainer
(Q) Oil pipe grommet
(R) Inlet oil line
(S) Auto-oiler assembly
(T) Outlet oil line
2. SERVICE PROCEDURE
Refer to SERVICE DATA of PPF-2100/2110, PPT-2100/2400 and PPFD-2400 (Ref. No. 17-21B-00) for
servicing drive shaft.
Refer to SERVICE MANUAL of CS-3000/3050/3400/3450 or CS-4200/4400 for servicing auto-oiler
assembly.
2-1 Gear case construction

Related product manuals