EasyManua.ls Logo

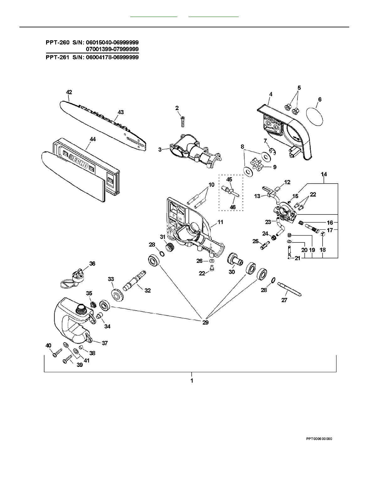
Echo PPT-260 - PARTS CATALOG SERIAL NUMBER 07001001-07999999 - Gear Case & Drive (S;N 07001399-07999999)

Echo PPT-260 - PARTS CATALOG SERIAL NUMBER 07001001-07999999
50 pages
Print Icon
To Next Page IconTo Next Page
To Next Page IconTo Next Page
To Previous Page IconTo Previous Page
To Previous Page IconTo Previous Page
Loading...
99922203284_260/07 - 28 - REVISED 02/24/09
Table of Contents Part Number Index
PPT-260 Power Pruner Gear Case, Auto-Oiler, Bar and Chain S/N: 07001399 - 07999999

Related product manuals