EasyManua.ls Logo

Ecler APA2000 - Block Diagram; Blockschaltbild; Blocs de Diagrammes; Diagrama de Bloques

Ecler APA2000
38 pages
Print Icon
To Next Page IconTo Next Page
To Next Page IconTo Next Page
To Previous Page IconTo Previous Page
To Previous Page IconTo Previous Page
Loading...
37
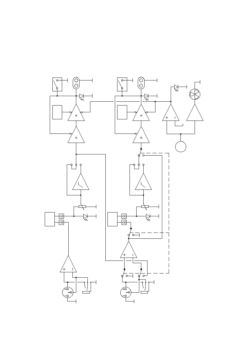
6.5. Block diagram
6.5. Diagrama de bloques
6.5. Blocs de diagrammes
6.5. Blockschatbild
IN 2
IN 1
S.P.
VOL
CLIP
OUT 1
LOW PASS FILTER
THERMAL PROBE
TH
FAN
OVERLOAD
PROTECT
DETECTING
CIRCUIT
DC OUT
ANTICLIP
CIRCUIT
MODULES
OPTIONAL
VOL
S.P.
LOW PASS FILTER
ANTICLIP
CIRCUIT
CLIP
OUT 2
OVERLOAD
PROTECT
CIRCUIT
DETECTING
DC OUT
V REF.
STEREO
BRIDGE
MODULES
OPTIONAL
APA600
APA1000
APA1400

Table of Contents

Related product manuals