EasyManua.ls Logo

Ecler HAK360 - Block Diagram; Blocs de Diagrammes; Diagrama de Bloques; Schaltbild

Ecler HAK360
46 pages
Print Icon
To Next Page IconTo Next Page
To Next Page IconTo Next Page
To Previous Page IconTo Previous Page
To Previous Page IconTo Previous Page
Loading...
45
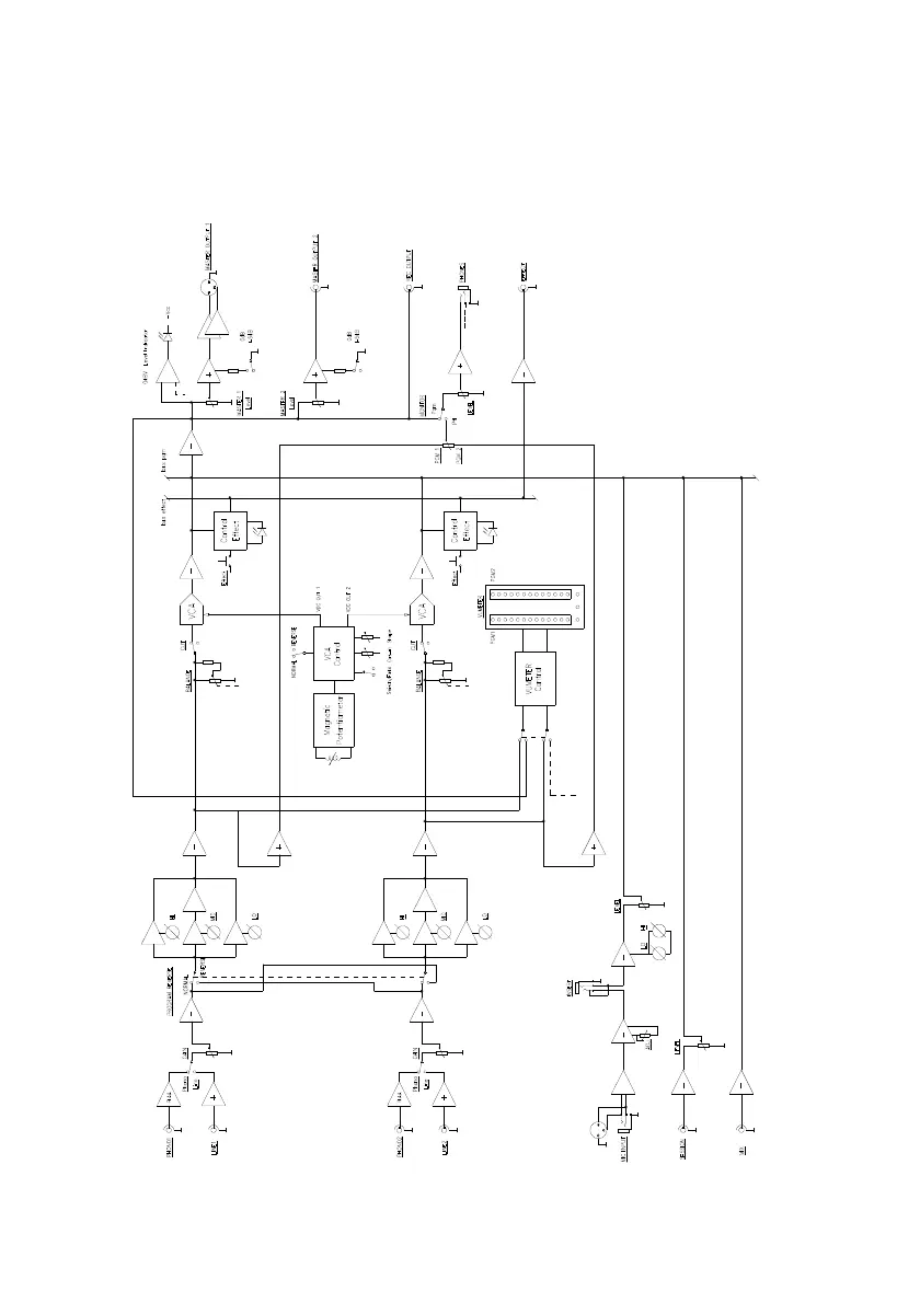
7.4. Block diagram
7.4. Diagrama de bloques
7.4. Blocs de diagrammes
7.4. Schaltbild

Table of Contents

Other manuals for Ecler HAK360

Related product manuals