EasyManua.ls Logo

Eclipse CD5030 - Page 8

Eclipse CD5030
8 pages
Print Icon
To Previous Page IconTo Previous Page
To Previous Page IconTo Previous Page
Loading...
“ECLIPSE” is a registered trademark of
FUJITSU TEN LIMITED in 54 countries
including the U.S. and Japan.
090003-30760700
0812 (CN)
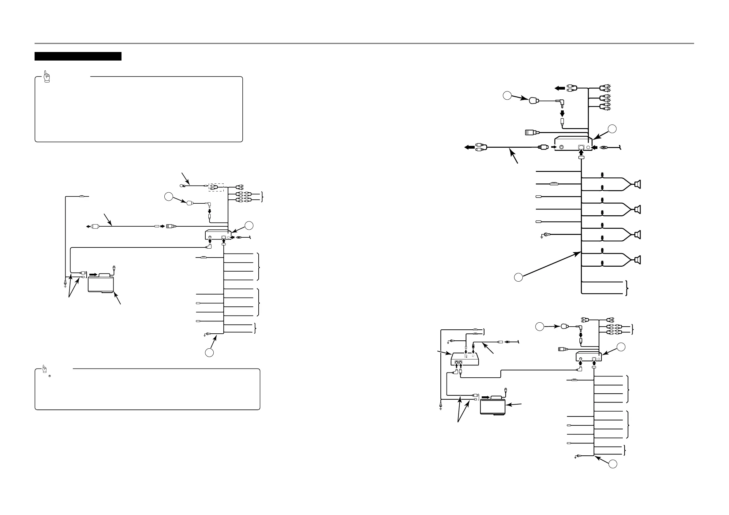
3) CD5030 + HDR109 + CH3083 + Amplificateur de puissance
VERS ACC
(alimentation électrique)
Rouge
Orange/Blanc
Bleu
Bleu/Blanc
VERS LA BATTERIE+12V
(alimentation permanente)
Jaune
Noir
13P
16P
FICHE D'ANTENNE
1
2
SANS CONNEXION (Ne retirez pas le capuchon)
VERS LA TÉLÉCOMMANDE DE
DIRECTION
Blanc
Blanc/Noir
Gris
Gris/Noir
Vert
Vert/Noir
Violet/Noir
Marron
Marron/Noir
SANS CONNEXION
(Ne retirez pas le capuchon)
Câble d’interconnexion
(fourni avec le CH3083)
13P
HDR109 ou HDR105
(vendu séparément)
Violet
SANS CONNEXION
(Ne retirez pas le capuchon)
13P
2P
2P
VERS LA MASSE
VERS LA BATTERIE+12V
(alimentation permanente)
13P
CÂBLE D'EXTENSION D'ANTENNE
VERS L'ENTRÉE DE SIGNAL DE
L'AMPLIFICATEUR EXTÉRIEUR
VERS LA
MASSE
VERS LA MASSE
VERS LE COMMUTATEUR DE PHARES (éclairage (+))
VERS LA MISE SOUS TENSION PAR TÉLÉCOMMANDE (amplificateurs, etc.)
VES LE RELAIS D'ANTENNE
MOTORISÉE (alimentation)
CH3083
(vendu séparément)
ISOLEZ CHAQUE FIL AVEC DU
RUBAN ISOLANT TEL QU'UN RUBAN
EN PLASTIQUE OU UN AUTRE
DISPOSITIF ISOLANT.
ISOLEZ CHAQUE FIL AVEC DU
RUBAN ISOLANT TEL QU'UN RUBAN
EN PLASTIQUE OU UN AUTRE
DISPOSITIF ISOLANT.
VERS LE PÉRIPHÉRIQUE USB
HAUT-PARLEURS ARRIÈRE
HAUT-PARLEURS AVANT
VERS LA MASSE
VERS ACC (alimentation électrique)
Rouge
VERS LE COMMUTATEUR DE PHARES (éclairage (+))
Orange/Blanc
VES LE RELAIS D'ANTENNE MOTORISÉE (alimentation)
Bleu
VERS LA MISE SOUS TENSION PAR TÉLÉCOMMANDE
(amplificateurs, etc.)
Bleu/Blanc
VERS LA BATTERIE+12V (alimentation permanente)
Jaune
Noir
16P
FICHE D'ANTENNE
1
VERS LA TÉLÉCOMMANDE
DE DIRECTION
Blanc
Blanc/Noir
Gris
Gris/Noir
Vert
Vert/Noir
Violet
Violet/Noir
Marron
Marron/Noir
2
SANS CONNEXION (Ne retirez pas le capuchon)
SANS CONNEXION (Ne retirez pas le capuchon)
SANS CONNEXION (Ne retirez pas le capuchon)
2)
CD5030 + PRODUIT EXTÉRIEUR (LECTEUR MP3, etc.)
AUX105
(vendu séparément)
Côté gauche (L)
Côté gauche (R)
VERS LES CONNECTEURS DE
SORTIE RCA D'UN APPAREIL
EXTÉRIEUR
VERS LE PÉRIPHÉRIQUE USB
VERS LES CONNECTEURS DE SORTIE
RCA D'UN APPAREIL EXTÉRIEUR
Côté
gauche (L)
Côté
gauche (R)
Installez et connectez toutes les unités périphériques avant
de les connecter à l'unité principale.
Ne retirez aucun des capuchons de protection (RCA, etc.),
sauf si les connecteurs sont utilisés.
Veillez à enrober les câbles de connexion de ruban (ruban
PVC) pour les isoler.
Conseil
Français
1) CD5030 + iPC-109 + CH3083 + MEI-100 + Amplificateur de puissance
VERS ACC
(alimentation électrique)
Rouge
Orange/Blanc
Bleu
Bleu/Blanc
VERS LA BATTERIE+12V
(alimentation permanente)
Jaune
Noir
13P
16P
VERS LE
iPod
1
2
SANS CONNEXION (Ne retirez pas le capuchon)
VERS LA TÉLÉCOMMANDE DE
DIRECTION
Blanc
Blanc/Noir
Gris
Gris/Noir
Vert
Vert/Noir
Violet/Noir
Marron
Marron/Noir
SANS CONNEXION
(Ne retirez pas le capuchon)
Câble d’interconnexion
(fourni avec le CH3083)
Côté gauche (L)
iPC-109
(vendu séparément)
Violet
SANS CONNEXION
(Ne retirez pas le capuchon)
13P
2P
VERS LA MASSE
VERS LA BATTERIE+12V
(alimentation permanente)
VERS L'ENTRÉE DE SIGNAL DE
L'AMPLIFICATEUR EXTÉRIEUR
VERS LA MASSE
VERS LE COMMUTATEUR DE
PHARES (éclairage (+))
VERS LA MISE SOUS TENSION
PAR TÉLÉCOMMANDE
(amplificateurs, etc.)
VES LE RELAIS D'ANTENNE
MOTORISÉE(alimentation)
CH3083
(vendu séparément)
ISOLEZ CHAQUE FIL AVEC DU
RUBAN ISOLANT TEL QU'UN RUBAN
EN PLASTIQUE OU UN AUTRE
DISPOSITIF ISOLANT.
ISOLEZ CHAQUE FIL AVEC DU
RUBAN ISOLANT TEL QU'UN RUBAN
EN PLASTIQUE OU UN AUTRE
DISPOSITIF ISOLANT.
13P
FICHE D'ANTENNE
MEI-100 (vendu séparément)
iPod est une marque commerciale de Apple Inc., déposée aux Etats-Unis et dans d'autres pays.
L'iPod est destiné uniquement à la copie légale ou autorisée par le propriétaire des droits. Ne volez pas la musique.
"Fabriqué pour l'iPod" signifie que l'accessoire électronique a été conçu pour être connecté spécifiquement à l'iPod
et qu'il est certifié par le développeur comme étant conforme aux normes de fonctionnement de Apple.
Apple décline toute responsabilité concernant le fonctionnement de cet appareil ou sa conformité aux normes de
sécurité et de régulation.
Conseil
15
15
15

Other manuals for Eclipse CD5030

Related product manuals