EasyManua.ls Logo

Ecologix TP30 - Electrical Wiring Diagram

Default Icon
19 pages
Print Icon
To Next Page IconTo Next Page
To Next Page IconTo Next Page
To Previous Page IconTo Previous Page
To Previous Page IconTo Previous Page
Loading...
TP-M11
5
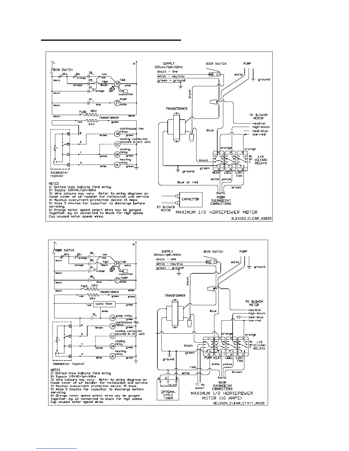
ELECTRICAL WIRING DIAGRAM
air handler electrical wiring schematic
air handler electrical wiring layout -- XELK103
air handler electrical wiring schematic air handler electrical wiring layout -- XELK124 with Cycle Timer