EasyManua.ls Logo

Ecologix TP30 - Page 6

Default Icon
19 pages
Print Icon
To Next Page IconTo Next Page
To Next Page IconTo Next Page
To Previous Page IconTo Previous Page
To Previous Page IconTo Previous Page
Loading...
TP-M11
6
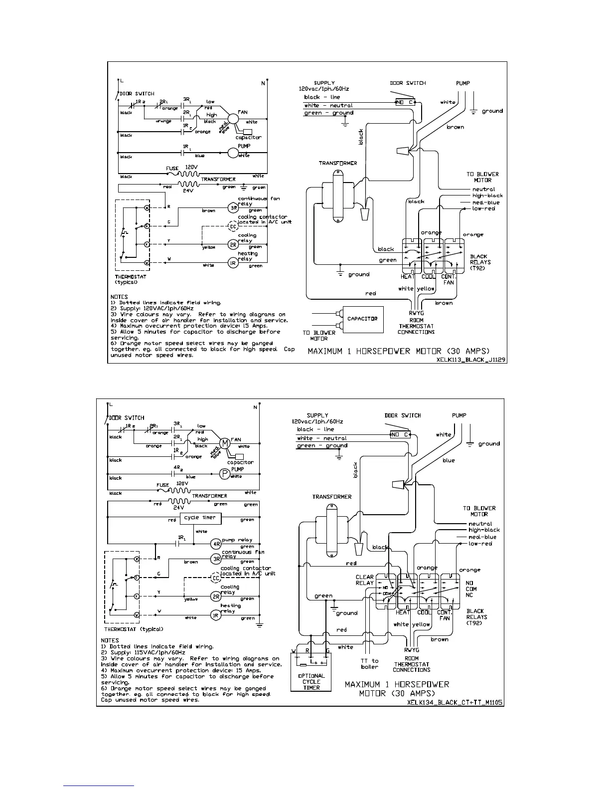
For TP75, TDHV-48 and TDHV-60
air handler electrical wiring schematic air handler electrical wiring layout -- XELK113
air handler electrical wiring schematic air handler electrical wiring layout -- XELK134