EasyManua.ls Logo

Econ ELA300 - Page 50

Default Icon
72 pages
Print Icon
To Next Page IconTo Next Page
To Next Page IconTo Next Page
To Previous Page IconTo Previous Page
To Previous Page IconTo Previous Page
Loading...
Installation & Operation Manual Proven Quality since 1892
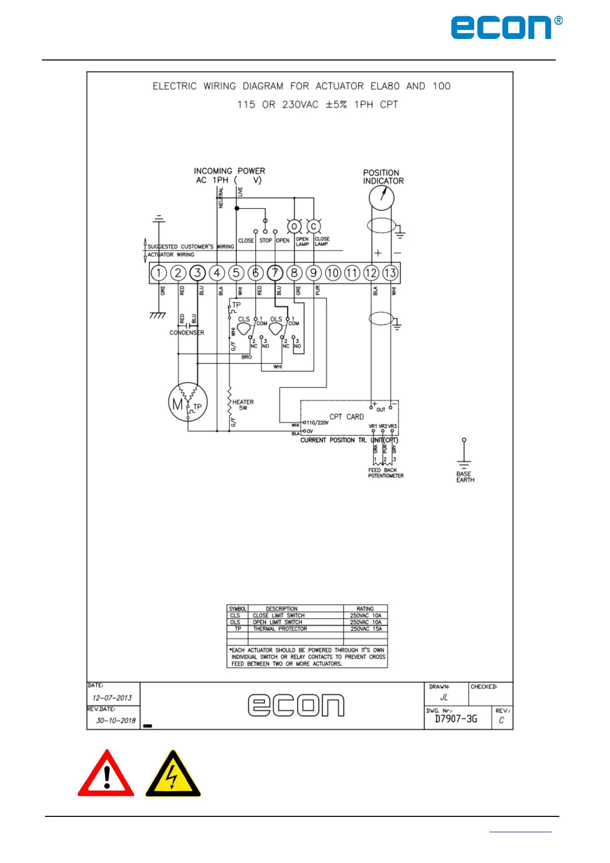
ECON actuator Fig. 7907, type ELA80 3000 www.eriks.com
Rev.23 August, 2023 49
DANGER: HAZARDOUS VOLTAGE. Electrical power must not be connected
until all wiring and limit switch adjustments have been completed.

Table of Contents

Related product manuals