EasyManua.ls Logo

Eden CS/4S 21 - Page 14

Eden CS/4S 21
26 pages
Print Icon
To Next Page IconTo Next Page
To Next Page IconTo Next Page
To Previous Page IconTo Previous Page
To Previous Page IconTo Previous Page
Loading...
Vers. 2009-3
water cassettes
14
INSTALLATION, OPERATION
AND MAINTENANCE MANUAL
UNITS 2nd SERIES
UNITS 2
nd SERIES
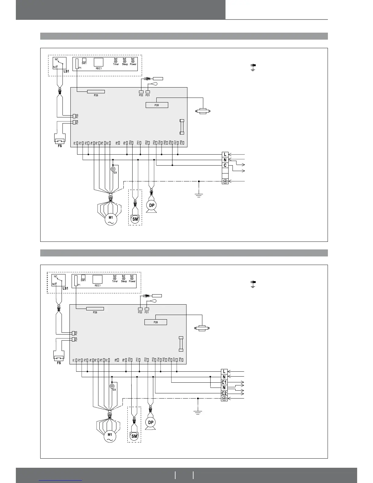
WIRING DIAGRAM OF 2 PIPE SYSTEM WATER CASSETTE WITH I.R. REMOTE CONTROL (CS/4S + HC/4S - 2nd SERIES)
WIRING DIAGRAM OF 4 PIPE SYSTEM WATER CASSETTE WITH I.R. REMOTE CONTROL (CS/4S + HC/4S - 2nd SERIES)
CASSETTES WITH A CONTROL BOARD THAT IS MANAGED ONBOARD
CASSETTES WITH A CONTROL BOARD THAT IS MANAGED ONBOARD
Pic. 29
Pic. 30
LEGENDA:
Connector
Earth
L Phase
N Neutral
M1 Fan motor (230Vac/50Hz)
SM Louver motor (230Vac/50Hz)
DP Drain pump (230Vac/50Hz)
FS Float switch (NC)
LS1 SM limit switch (60x60 cassette)
Safety switch (90x90 cassette: when
opening the lter panel, the unit wii stop)
Com Common
P1,P2,...,Pn Terminals
C3 Condenser
LEGENDA:
Connector
Earth
L Phase
N Neutral
M1 Fan motor (230Vac/50Hz)
SM Louver motor (230Vac/50Hz)
DP Drain pump (230Vac/50Hz)
FS Float switch (NC)
LS1 SM limit switch (60x60 cassette)
Safety switch (90x90 cassette: when
opening the lter panel, the unit wii stop)
Com Common
P1,P2,...,Pn Terminals
C3 Condenser
FRONTAL
PANEL
FUSE
FRONTAL
PANEL
TRANSFORMER
230-12 Vac
TRANSFORMER
230-12 Vac
I.R. RECEIVER
I.R. RECEIVER
Electronic supply
230Vac/50Hz
Heat/cool valve
230Vac/50Hz
Earth
WATER TEMPERATURE SENSOR
WATER TEMPERATURE SENSOR
AIR TEMPERATURE SENSOR
AIR TEMPERATURE SENSOR
TURBO
TURBO
HIGH
HIGH
MEDIUM
MEDIUM
LOW
LOW
FRONTAL
PANEL
FRONTAL
PANEL
ELECTRONIC
CONTROL BOARD
ELECTRONIC
CONTROL BOARD
FUSE
Electronic supply
230Vac/50Hz
Cool valve
230Vac/50Hz
Heat valve
230Vac/50Hz
Earth

Related product manuals